2W電磁閥

2W電磁閥
2W電磁閥特點:
采用二口(通)二位直動式膜片結構無壓力啟動,大大擴充了它的使用領域。采用平板式膜片結構啟閉可靠,并且大大增強該產品的使用壽命。選用塑封線圈可提高該產品在眾多環境下的安全使用。適用介質:液體、水、熱水、氣、油、瓦斯等,并請注意以下細節:
1、
如在食品機械和飲用水上使用,可在訂貨時提出密封材料可用食品級硅橡膠PYMQ。
2、安裝手動裝置的,在斷電或緊急情況下,可以手動操作閥門開關。
3、需要法蘭連接的可在訂貨時提出。

2W-025-08

內部結構及主要零部件

2W電磁閥訂貨編號
水(熱水) 型2W-N電磁閥

水(熱水) 型2W-N電磁閥
| 規格型號 | 長(L)mm | 高(H)mm | 接管螺紋 |
| 2W-2.5N | 40.5 | 75 | PT1/8″1/4″ |
| 2W-4N | 52.5 | 85.5 | PT3/8″ |
| 2W-10N | 69 | 117 | PT3/8″ |
| 2W-15N | 69 | 117 | PT1/2″ |
| 2W-20N | 73 | 123.5 | PT3/4″ |
| 2W-25N | 99 | 134.5 | PT1″ |
| 2W-35N | 112 | 172 | PT11/4″ |
| 2W-40N | 123 | 172 | PT11/2″ |
| 2W-50N | 168 | 209 | PT2″ |

2W-25JN

內部結構外形尺寸圖2

內部結構外形尺寸圖1

水(熱水) 型2W-N電磁閥訂貨編號
不銹鋼法蘭式2W電磁閥

2W-50JF
| 型號 | 長(L) | 高(H) | H1 | 法蘭D | 法蘭D1 | 法蘭D2 |
| 2W-10JF | 96 | 145 | 45 | 90 | ф14 | ф65 |
| 2W-15JF | 96 | 145 | 45 | 90 | ф14 | ф65 |
| 2W-20JF | 98 | 155 | 50 | 100 | ф14 | ф75 |
| 2W-25JF | 128 | 166 | 55 | 110 | ф14 | ф85 |
| 2W-32JF | 158 | 204 | 67.5 | 135 | ф18 | ф100 |
| 2W-40JF | 158 | 217 | 72.5 | 145 | ф18 | ф110 |
| 2W-50JF | 202 | 227 | 78 | 156 | ф18 | ф125 |
注:需要常開式,在型號后加K,如2W-25JFK,F表示法蘭連接。

外形尺寸,內部結構圖1
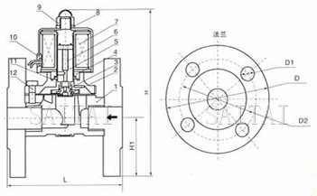
| 序號 | 名稱 | 序號 | 名稱 |
| 1 | 本體 | 2 | 膜片組合 |
| 3 | 膜片拉伸彈簧 | 4 | 電磁鐵組合 |
| 5 | 可動鐵組合 | 6 | 壓縮彈簧 |
| 7 | 線圈組合 | 8 | 彈簧華司 |
| 9 | 六角蓋形螺帽 | 10 | 出線護套 |
| 11 | O令 | 12 | 螺釘 |

不銹鋼法蘭式2W電磁閥訂貨編號

外形尺寸,內部結構圖2
| 型號 | A | B | C | D | K(PT) |
| 2W025-06 | 66 | 30.3 | 75 | 40.5 | 1/8? |
| 2W025-08 | 66 | 30.3 | 75 | 40.5 | 1/4? |
| 2W040-08 | 66 | 30.3 | 75 | 40.5 | 1/4? |
| 2W040-10 | 74 | 32.2 | 85.5 | 52.5 | 3/8? |
| 2W160-10 | 101.5 | 57 | 117 | 69 | 3/8? |
| 2W160-15 | 101.5 | 57 | 117 | 69 | 1/2? |
| 2W200-20 | 107 | 57 | 123.5 | 73 | 3/4? |
2W電磁閥規格參數
| 型號 | 2W025-06 | 2W025-08 | 2W040-08 | 2W040-10 | 2W160-10 | 2W160-15 | 2W200-20 | 2W250-25 | 2W350-35 | 2W400-40 | 2W500-50 |
| 使用流體 | 空氣、水、油、瓦斯、液化氣、天然氣、煤氣 | ||||||||||
| 動作方式 | 直動式 | ||||||||||
| 型式 | 常閉式或常開式 | ||||||||||
| 流量孔徑mm | 2.5 | 4 | 16 | 20 | 25 | 35 | 40 | 50 | |||
| CV值 | 0.23 | 0.6 | 4.8 | 7.6 | 12 | 24 | 29 | 48 | |||
| 接管口徑G | 1/8 | 1/4 | 1/4 | 3/8 | 3/8 | 1/2 | 3/4 | 1 | 11/4 | 11/2 | 2 |
| 使用流體粘度 | 20CST以下 | ||||||||||
| 使用壓力Kg/cm2 | 常閉:0∽10Kgf/cm2常開:0∽8Kgf/cm2 | ||||||||||
| 最大耐壓力Kg/cm2 | 16Kgf/cm2 | ||||||||||
| 工作溫度℃ | -5∽80℃(高溫V型-10∽120℃) | ||||||||||
| 使用電壓范圍 | +-10% 電壓:AC220V AC110V DC24V DC12V 其它電壓和工廠接洽 | ||||||||||
| 本體材質 | 鍛黃銅和不銹鋼304,不銹鋼在型號后加“J” | ||||||||||
| 油封材質 | 常規:NBR可選型:EPDM、VMQ、VITON | ||||||||||
| 工作電壓 | AC:220V、110V、36V、50/60HZ DC:220V、110V36V、24V、12V | ||||||||||

壓差、流量曲線圖
注:
1.本網頁的2W電磁閥結構、結構圖、尺寸、參數等主要性能參數,以及安裝尺寸圖、安裝尺寸表均只適用于參考,詳細CAD圖、安裝圖、以及產品說明書請向賽泰閥門營銷人員索取。
2.由于編輯水平有限,錯誤和不妥之處在所難免,真誠希望您批評指正。
2W電磁閥相關產品
下一頁:RSV氣液電磁閥
返回至本系列目錄:電磁閥
上一頁:RSP 先導式電磁閥