通風蝶閥
產品概述
TD41W手柄操作通風蝶閥采用鋼板焊接制造,具有結構尺寸短,重量輕,安裝方便等特點。TD41W手柄操作通風蝶閥驅動力矩小,啟閉靈活,操作方便。閥體上設置有密封擋圈,密封副之間無可見間隙,泄漏率小。蝶板與閥體間的膨脹間隙大,能有效防止因熱脹冷縮造成的卡死現象。上海賽泰閥門有限公司生產的TD41W手柄操作通風蝶閥可配備多種驅動裝置,如手動裝置,渦輪傳動裝置,起動裝置,電動裝置。通風蝶閥廣泛用于冶金、石化、電力、建材、礦山等工業管線,對介質氣體起控制或調節作用。

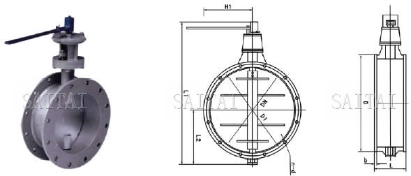
通風碟閥外形尺寸圖
主要零件材料
| 零件名稱 | 閥體 | 蝶板 | 閥油 |
| 材料 | 炭鋼 | 炭鋼 | 炭鋼、不銹鋼 |
主要技術參數
| 公稱壓力 | 0.05MPa | 介質溫度 | -30℃~350℃ |
| 強度試驗 | 0.1MPa | 適用介質 | 冷熱風,煙氣 |
| 介質流速 | 25m/s | 泄漏率 | 3% |
主要外形連接尺寸
| DN | D | D1 | L | L1 | n-Фd | b | H1 |
| 150 | 240 | 210 | 100 | 377 | 8-12 | 8 | 250 |
| 200 | 290 | 260 | 100 | 426 | 8-12 | 8 | 250 |
| 250 | 345 | 310 | 120 | 485 | 8-12 | 10 | 350 |
| 300 | 405 | 370 | 120 | 539 | 8-14 | 10 | 350 |
| 350 | 455 | 420 | 140 | 539 | 12-18 | 10 | 350 |
| 400 | 505 | 470 | 140 | 652 | 12-18 | 10 | 450 |
| 450 | 570 | 530 | 160 | 781 | 16-18 | 10 | 450 |
| 500 | 620 | 580 | 160 | 835 | 16-18 | 10 | 450 |
| 600 | 720 | 680 | 180 | 946 | 16-18 | 12 | 550 |
| 700 | 820 | 780 | 180 | 1044 | 16-18 | 12 | 550 |
| 800 | 920 | 880 | 200 | 1159 | 16-18 | 12 | 550 |
注:
1.本網頁的通風蝶閥結構、結構圖、尺寸、參數等主要性能參數,以及安裝尺寸圖、安裝尺寸表均只適用于參考,詳細CAD圖、安裝圖、以及產品說明書請向賽泰閥門營銷人員索取。
2.由于編輯水平有限,錯誤和不妥之處在所難免,真誠希望您批評指正。
通風蝶閥相關產品
下一頁:蝸輪傳動通風蝶閥
返回至本系列目錄:蝶閥
上一頁:真空蝶閥