XBD-L型立式單級(多級)單吸消防離心泵
XBD-L型立式單級(多級)單吸消防離心泵,簡稱:XBD-L消防泵。XBD-L型消防離心泵分單吸單級和單吸多級分段式二種,供輸送不含固體顆粒的清水及物理化學性質類似于水的液體之用。主要用于消防系統增壓送水,也可應用于廠礦給排水。輸送液體的流量范圍為5~80L/S,壓力范圍為0.2~2.25Mpa,配套功率范圍為1.5~200KW,口徑范圍為ф50~ф250mm。

XBD-L型立式單級單吸消防離心泵

XBD-L型立式多級單吸消防離心泵
XBD-L消防泵型號說明

XBD-L消防泵型號說明
XBD-L消防泵主要特點
1、 泵結構緊湊、體積小、外形美觀、其立式結構決定安裝占地面積小,其重心重合泵腳中心,因而增強了泵的運行穩定性和使用壽命。
2、 泵吸入口和吐出口均水平方向,簡化了管路的連接。
3、 多級式可根據需要,吸入口和吐出口可安裝成同方向或90°、180°、270°幾個不同方向以滿足不同的連接場合。(多級式詳見多級式專用說明書)
4、 泵壓力可根據需要增減水泵級數并切割葉輪外徑予以滿足,而不改變安裝占地面積,這是其他泵類所不具有的。
5、 泵轉子具有較小的繞度,運行平穩、振動小、噪音低、使用壽命長。
。
XBD-L消防泵產品用途
XBD-L型消防泵主要用于消防系統管道增壓送水。也可適用于工業和城市給排水,高層建筑增壓送水、遠距離送水、采暖、浴室、鍋爐冷暖水循環增壓空調制冷系統送水及設備配套等場合。
XBD-L消防泵結構說明
XBD-L消防泵由電機和泵兩部分組成,泵和電機同軸,泵結構包括泵體、葉輪、泵蓋、機械密封等部件組成。泵進、出口在同一水平軸線上,且口徑規格相同,裝卸極為方便,占地面積小。泵設有安裝底座,便于安裝,增加泵運行穩定性。泵密封采用機械密封,具有密封可靠,無泄漏的特點。泵的軸向力由葉輪設平衡環來進行平衡。泵的進出口法蘭按1.6Mpa壓力設計,管路配套方便。
由電機和泵兩部分組成。泵定子部分由進水段、中段、導葉、出水段、填料函體等零件組成。為防止定子磨損,定子上裝有密封環、平衡套等,磨損后可用備件更換。轉子部分由軸、中輪、平衡鼓等組成。轉子下端為水潤滑軸承,上部為角接觸球軸承,泵的軸向力絕大部分由平衡鼓來承擔,其余小部分殘余軸下向力由角接觸球軸承來承受。進水段、中段和出水段的結合面用紙墊通過拉緊達到密封,用戶可根據需要選擇。
泵旋轉方向從驅動端向下看為逆時針轉動。
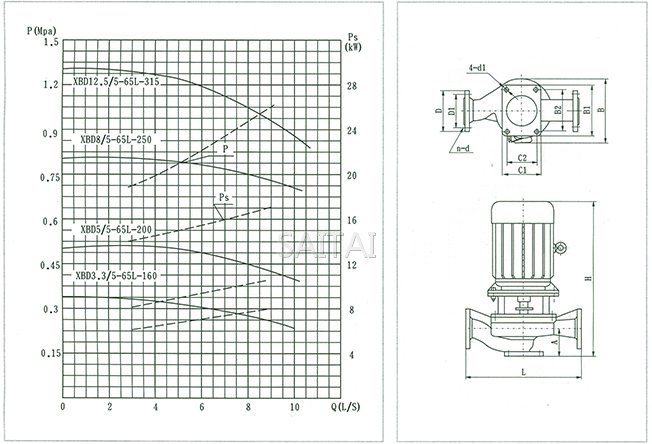
XBD***/5-65L-***消防泵技術數據
| 型號 | 流量 Q (L/S) | 壓力 P (Mpa) | 轉速 n (r/min) | 配用功率N (KW) | 效率 η (%) | 必需汽蝕余量r (m) | 重量 (kg) |
| XBD3.2/5-65L-160 | 5 | 0.32 | 2900 | 4 | 63 | 2.5 | 75 |
| XBD5/5-65L-200 | 5 | 0.5 | 2900 | 7.5 | 58 | 2.5 | 107 |
| XBD8/5-65L-250 | 5 | 0.8 | 2900 | 15 | 50 | 2.5 | 180 |
| XBD12.5/5-65L-315 | 5 | 1.25 | 2900 | 30 | 40 | 2.5 | 320 |

XBD***/5-65L-***消防泵結構說明
| 泵型號 | 外型尺寸及安裝尺寸 | 進出口法蘭尺寸 | 隔振器(墊) | ||||||||||
| L | B | H | C1 | B1 | A | C2 | B2 | 4-d1 | D | D1 | n-d | 規格 | |
| XBD3.2/5-65L-160 | 380 | 305 | 570 | 140 | 200 | 100 | 100 | 160 | 4-ф18 | ф185 | ф145 | 4-ф18 | SD61-0.5 |
| XBD5/5-65L-200 | 400 | 350 | 635 | 140 | 200 | 105 | 100 | 160 | 4-ф18 | ф185 | ф145 | 4-ф18 | SD61-0.5 |
| XBD8/5-65L-250 | 460 | 435 | 785 | 160 | 220 | 110 | 120 | 180 | 4-ф18 | ф185 | ф145 | 4-ф18 | JGD2-3 |
| XBD12.5/5-65L-315 | 550 | 510 | 920 | 190 | 280 | 110 | 150 | 240 | 4-ф18 | ф185 | ф145 | 4-ф18 | JGD2-3 |
XBD***/10-80L-***消防泵技術數據
| 型號 | 流量 Q (L/S) | 壓力 P (Mpa) | 轉速 n (r/min) | 配用功率N (KW) | 效率 η (%) | 必需汽蝕余量r (m) | 重量 (kg) |
| XBD3.2/10-80L-160 | 10 | 0.32 | 2900 | 7.5 | 69 | 3 | 105 |
| XBD5/10-80L-200 | 10 | 0.5 | 2900 | 15 | 65 | 3 | 175 |
| XBD8/10-80L-250 | 10 | 0.8 | 2900 | 22 | 57 | 3 | 240 |
| XBD12.5/10-80L-315 | 10 | 1.25 | 2900 | 37 | 54 | 3 | 355 |

XBD***/10-80L-***消防泵結構說明
| 泵型號 | 外型尺寸及安裝尺寸 | 進出口法蘭尺寸 | 隔振器(墊) | ||||||||||
| L | B | H | C1 | B1 | A | C2 | B2 | 4-d1 | D | D1 | n-d | 規格 | |
| XBD3.2/10-80L-160 | 400 | 360 | 660 | 140 | 200 | 125 | 100 | 160 | 4-ф18 | ф200 | ф160 | 8-ф18 | SD61-0.5 |
| XBD5/10-80L-200 | 450 | 430 | 795 | 140 | 200 | 125 | 100 | 160 | 4-ф18 | ф200 | ф160 | 8-ф18 | SD2-3 |
| XBD8/10-80L-250 | 500 | 465 | 870 | 160 | 220 | 130 | 120 | 180 | 4-ф18 | ф200 | ф160 | 8-ф18 | JGD2-3 |
| XBD12.5/10-80L-315 | 580 | 530 | 1000 | 190 | 280 | 130 | 150 | 240 | 4-ф18 | ф200 | ф160 | 8-ф18 | JGD2-3 |
XBD***/25-100L-***消防泵技術數據
| 型號 | 流量 Q (L/S) | 壓力 P (Mpa) | 轉速 n (r/min) | 配用功率N (KW) | 效率 η (%) | 必需汽蝕余量r (m) | 重量 (kg) |
| XBD3.2/25-100L-160 | 25 | 0.32 | 2900 | 15 | 74 | 4.5 | 191 |
| XBD5/25-100L-200 | 25 | 0.5 | 2900 | 22 | 72 | 4 | 245 |
| XBD8/25-100L-250 | 25 | 0.8 | 2900 | 37 | 67 | 4 | 345 |
| XBD12.5/25-100L-315 | 25 | 1.25 | 2900 | 75 | 33 | 4 | 689 |

XBD***/25-100L-***消防泵結構說明
| 泵型號 | 外型尺寸及安裝尺寸 | 進出口法蘭尺寸 | 隔振器(墊) | ||||||||||
| L | B | H | C1 | B1 | A | C2 | B2 | 4-d1 | D | D1 | n-d | 規格 | |
| XBD3.2/25-100L-160 | 500 | 430 | 835 | 160 | 220 | 160 | 120 | 180 | 4-ф18 | ф220 | ф180 | 8-ф18 | JGD2-3 |
| XBD5/25-100L-200 | 500 | 475 | 880 | 160 | 220 | 140 | 120 | 180 | 4-ф18 | ф220 | ф180 | 8-ф18 | JGD2-3 |
| XBD8/25-100L-250 | 500 | 520 | 115 | 190 | 280 | 155 | 150 | 240 | 4-ф18 | ф220 | ф180 | 8-ф18 | JGD3-2 |
| XBD12.5/25-100L-315 | 630 | 700 | 1235 | 250 | 300 | 165 | 210 | 260 | 4-ф18 | ф220 | ф180 | 8-ф18 | JGD3-2 |
XBD***/40-125L-***消防泵技術數據
| 型號 | 流量 Q (L/S) | 壓力 P (Mpa) | 轉速 n (r/min) | 配用功率N (KW) | 效率 η (%) | 必需汽蝕余量r (m) | 重量 (kg) |
| XBD3.2/40-125L-160 | 40 | 0.32 | 2900 | 22 | 76 | 4 | 265 |
| XBD5/40-125L-200 | 40 | 0.5 | 2900 | 37 | 75 | 5.5 | 395 |
| XBD8/40-125L-250 | 40 | 0.8 | 2900 | 55 | 73 | 5 | 580 |
| XBD12.5/40-125L-315 | 40 | 1.25 | 2900 | 90 | 70 | 5 | 790 |

XBD***/40-125L-***消防泵結構說明
| 泵型號 | 外型尺寸及安裝尺寸 | 進出口法蘭尺寸 | 隔振器(墊) | ||||||||||
| L | B | H | C1 | B1 | A | C2 | B2 | 4-d1 | D | D1 | n-d | 規格 | |
| XBD3.2/40-125L-160 | 520 | 460 | 920 | 190 | 280 | 175 | 150 | 240 | 4-ф22 | ф250 | ф210 | 8-ф18 | JGD2-3 |
| XBD5/40-125L-200 | 570 | 510 | 1040 | 250 | 300 | 175 | 210 | 260 | 4-ф22 | ф250 | ф210 | 8-ф18 | JGD3-2 |
| XBD8/40-125L-250 | 600 | 660 | 1180 | 270 | 320 | 170 | 230 | 280 | 4-ф22 | ф250 | ф210 | 8-ф18 | JGD3-2 |
| XBD12.5/40-125L-315 | 640 | 685 | 1350 | 300 | 350 | 180 | 230 | 280 | 4-ф22 | ф250 | ф210 | 8-ф18 | JGD3-2 |
XBD***/50-150L-***消防泵技術數據
| 型號 | 流量 Q (L/S) | 壓力 P (Mpa) | 轉速 n (r/min) | 配用功率N (KW) | 效率 η (%) | 必需汽蝕余量r (m) | 重量 (kg) |
| XBD3.2/50-150L-315 | 50 | 0.32 | 1480 | 30 | 76 | 3.5 | 410 |
| XBD5/50-150L-400 | 50 | 0.5 | 1480 | 45 | 73 | 3.5 | 490 |

XBD***/50-150L-***消防泵結構說明
| 泵型號 | 外型尺寸及安裝尺寸 | 進出口法蘭尺寸 | 隔振器(墊) | ||||||||||
| L | B | H | C1 | B1 | A | C2 | B2 | 4-d1 | D | D1 | n-d | 規格 | |
| XBD3.2/50-150L-315 | 800 | 530 | 1075 | 250 | 300 | 205 | 210 | 260 | 4-ф22 | ф285 | ф240 | 8-ф22 | JGD3-3 |
| XBD5/50-150L-400 | 820 | 595 | 1120 | 300 | 350 | 210 | 230 | 280 | 4-ф22 | ф285 | ф240 | 8-ф22 | JGD3-3 |
XBD***/100-200L-***消防泵技術數據
| 型號 | 流量 Q (L/S) | 壓力 P (Mpa) | 轉速 n (r/min) | 配用功率N (KW) | 效率 η (%) | 必需汽蝕余量r (m) | 重量 (kg) |
| XBD3.2/100-200L-315 | 100 | 0.32 | 1480 | 55 | 78 | 3.5 | 417 |
| XBD5/100-200L-400 | 100 | 0.5 | 1480 | 75 | 77 | 3.5 | 498 |

XBD***/100-200L-***消防泵結構說明
| 泵型號 | 外型尺寸及安裝尺寸 | 進出口法蘭尺寸 | 隔振器(墊) | ||||||||||
| L | B | H | C1 | B1 | A | C2 | B2 | 4-d1 | D | D1 | n-d | 規格 | |
| XBD3.2/100-200L-315 | 800 | 530 | 1075 | 270 | 320 | 210 | 230 | 280 | 4-ф22 | ф340 | ф295 | 12-ф22 | JGD3-3 |
| XBD5/100-200L-400 | 820 | 595 | 1120 | 290 | 360 | 225 | 230 | 280 | 4-ф22 | ф340 | ф295 | 12-ф22 | JGD3-3 |
XBD-L消防泵產品主要材料
| 名 稱 | 材料 | 標 準 | |
| 泵 體 | 鑄鐵 | HT200 | GB9439-88 |
| 球鐵 | QT400-18 | GB1348-88 | |
| 中 段 | 鑄鐵 | HT200 | GB9439-88 |
| 球鐵 | QT400-18 | GB1348-88 | |
| 葉 輪 | 銅合金(球鐵) | ZcuSn10Zn2 | GB1176-88 |
| 軸 | 不銹鋼(鋼) | 2Cr13 | GB3077-88 |
| 軸 封 | 填料 | 柔性石墨 | |
| 機械密封 | 橡膠波紋管 | 博格曼DIN24960 | |
注:
1.本網頁的XBD-L型立式單級(多級)單吸消防離心泵性能參數結構、結構圖、尺寸、參數、流量、揚程、電機轉速等主要性能參數,以及安裝尺寸圖、安裝尺寸表均只適用于參考,詳細CAD圖、安裝圖、以及產品說明書請向賽泰水泵營銷人員索取。
2.由于編輯水平有限,錯誤和不妥之處在所難免,真誠希望您批評指正。
XBD-L型立式單級(多級)單吸消防離心泵相關產品
下一頁:XBC系列柴油機消防泵組
返回至本系列目錄:消防泵