EN5-9 1151型三組閥
產品簡圖及外形尺寸圖

EN5-9 1151型三組閥

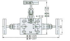
EN5-9 1151型三組閥外形尺寸圖

EN5-9 1151型三組閥簡圖
特點及用途
EN5-9 1151型三組閥由二只取壓閥與平衡閥組成,可與差壓變送器直接連接,導通或斷開測量點。進口為NPT1/2內螺紋,可根據用戶要求采用其它螺紋,如需配用引壓口接頭,訂貨時請注明。
技術參數及材質:
| 序號 No. |
公稱壓力 PN |
進口 inlet |
出口 outlet |
適用溫度 Applicable Temperature (℃) |
閥體材料 Body |
| 1 | 32MPa | 腰型 法蘭 |
板式 安裝 |
-20~450 | 20# |
| 2 | -70~240 | 1Cr18Ni9Ti |
注:
1.本網頁的EN5-9 1151型三組閥結構、結構圖、尺寸、參數等主要性能參數,以及安裝尺寸圖、安裝尺寸表均只適用于參考,詳細CAD圖、安裝圖、以及產品說明書請向賽泰閥門營銷人員索取。
2.由于編輯水平有限,錯誤和不妥之處在所難免,真誠希望您批評指正。
EN5-9 1151型三組閥相關產品
返回至本系列目錄:針型閥
上一頁:EN5-8 1151型三閥組