FDF5-12 1151型五閥組
產品簡圖及外形尺寸圖

FDF5-12 1151型五閥組

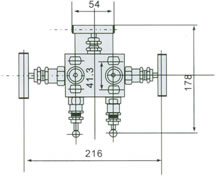
FDF5-12 1151型五閥組外形尺寸圖

FDF5-12 1151型五閥組簡圖
特點及用途
FDF5-12 1151型五閥組由高低壓閥、平衡閥及兩個校驗(排污)閥組合為一體,與變送器配套安裝,導通或斷開測量點,并可隨時進行儀表在線檢查、校核、標定或排污;印洗。進口為Φ14接管焊接安裝,可固定與箱璧。FDF5-12 1151型五閥組的出口直接與變送器相連。
技術參數及材質:
| 序號 No. |
公稱壓力 PN |
公稱通徑 DN(mm) |
適用溫度 Applicable Temperature (℃) |
閥體材料 Body |
| 1 | 20MPa | 5 | -20~440 | 35# |
| 2 | -70~240 | 1Cr18Ni9Ti | ||
| 3 | 40MPa | -20~440 | 35# | |
| 4 | -70~240 | 1Cr18Ni9Ti |
注:
1.本網頁的FDF5-12 1151型五閥組結構、結構圖、尺寸、參數等主要性能參數,以及安裝尺寸圖、安裝尺寸表均只適用于參考,詳細CAD圖、安裝圖、以及產品說明書請向賽泰閥門營銷人員索取。
2.由于編輯水平有限,錯誤和不妥之處在所難免,真誠希望您批評指正。
FDF5-12 1151型五閥組相關產品
返回至本系列目錄:針型閥