SLG水冷型低噪音泵
SLG水冷型低噪音泵系采用IS(ISG)泵的性能參數,結合立式泵的優點,對ISG型泵電機部件進行改進設計制造的新一代立式低噪音離心泵,性能符合國家GB/T53058-93標準。是替代IS(及IH、IR型)、DL、ISG、小型雙吸泵等常規泵的新型產品。 根據流體介質及使用溫度、使用環境的不同,設計制造成同參數的SLGH型水冷低噪音化工泵,SLGH型水冷低噪音熱水泵,SLGY型水冷低噪音油泵。

SLG水冷型低噪音泵
SLG水冷型低噪音泵產品特點
1、 電機由泵自循環水冷卻,代替風扇冷卻,冷卻效果好、噪音低、延長電機壽命。
2、 占地面積大幅度減小,節約基建投資約30~60%。
3、 電機與泵同軸,簡化了中間聯接結構,且葉輪具有良好的動靜平衡性,因此運行平穩可靠、振動小、噪音低。
4、 安裝方便。進出口法蘭相同,且在同一條水平線上。
5、 無泄漏。采用耐腐蝕機械密封,無填料密封嚴重的滲漏問題,確保運行場地干凈整潔。機械密封使用壽命達10000小時以上。
6、 適用性廣。流量范圍從1.5~2650m3/h,揚程從7.5~150M,口徑從40~500mm,分常規流量型、擴流型;基本型、切割型共240種規格。
型號意義

型號意義
SLG水冷型低噪音泵工作條件
1、泵口徑在150mm以下(包括150mm)系統最高工作壓力為1.6AMPa;泵口徑在150mm以上系統最高工作壓力為1.3Mpa。即泵出口壓力=(泵入口壓力+泵揚程)≤系統壓力。當系統工作壓力大于1.6AMPa時,在訂貨時敬請特別提出,以便制造時使用鑄鋼(不銹鋼)。
2、 清水型泵工作介質為溫度不超過80℃的清水或物理化學性質類似清水的其它液體。
3、 環境溫度不超過40℃,相對濕度不超過95%。
性能參數范圍
進出口直徑:DN=40~500mm
流量(額定點):1.5~2650m3/h
揚程(額定點):7.5~150M
主要零件材質
| 零件名稱 | 可供旋選擇的材料(可另選) |
| 軸 | 45、40Cr、2Cr13、1Cr18Ni、1Cr18Ni9Ti |
| 泵體 泵蓋 | HT200、QT500、ZG230-450、ZG1Cr18Ni9Ti |
| 葉輪 | HT200、QT500、ZG230-450、ZG1Cr18Ni9Ti |
SLG水冷型低噪音泵主要用途
1、 SLG(清水型)供輸送清水或物理化學性質類似清水的其它液體之用。介質溫度80℃以下。適用于工業和城市給排水、高層建筑增壓送水、消防增壓、遠距離輸水等。
2、 SLGR熱水型供輸送溫度不超過120℃的清水之用。適用于車格式及企事業單位的供熱系統的供暖及熱水增壓、循環、輸送等生產工藝供熱系統,如電站、熱電站、余熱利用、冶金、化工、紡織、造紙等行業和工業鍋爐。
3、 SLGH化工型供輸送溫度-20~120℃的不含固體顆粒具有腐蝕性、粘度類似于水的液體之用。適用于輕紡、石油、化工個、冶金、電力、造紙、食品、制藥等行業。
4、 SLGY型防爆油泵適用于石油、化工、輕紡、機械等行業輸送無腐蝕、易燃、易爆液體。介質溫度-20~120℃。
SLG水冷型低噪音泵結構圖

SLG水冷型低噪音泵結構圖
機組由水冷電機與泵組成,機泵一體結構,電機與泵同軸。電機采用泵介質進行循環冷卻,改變電機用風冷方式,同時由于電機外殼加有冷卻套,使電機內部產生的噪音得到有效降低。電機部件主要有定轉子部件、冷卻套、回水管,上端蓋等組成。泵主要由泵體、葉輪、泵蓋、機械密封等組成。泵進出口在統一水平軸線上,便于管道連接布置,泵內具有平衡軸向力系統,使泵運行時軸向力降至最低,剩余軸向力由電機內軸承承受。泵設有放氣孔、放水孔及底座,便于安裝使用。
SLG水冷型低噪音泵性能表 I
| 型號 | 流量 | 揚程 m | 效率 % | 轉速 r/min | 電機功率 | 必需氣蝕余量 | 重量 Kg | 型號 | 流量 | 揚程 m | 效率 % | 轉速 r/min | 電機功率 | 必需氣蝕余量 | 重量 Kg | |||
| m3/h | L/S | m3/h | L/S | |||||||||||||||
| 40-100 | 4.4 6.3 8.3 | 1.22 1.75 2.31 | 13.2 12.5 11.3 | 48 54 53 | 2900 | 0.55 | 2.0 | 42 | 50-160(I) | 17.5 25 32.5 | 4.86 6.94 9.03 | 35 32 30 | 57 68 67 | 2900 | 4.0 | 2.0 | 87 | |
| 40-100A | 3.9 5.6 7.4 | 1.08 1.56 2.06 | 10.6.10 9 | 45 52 51 | 2900 | 0.37 | 2.0 | 41 | 50-160(I)A | 16.4 23.4 30.4 | 4.56 6.53 8.47 | 30.7 28 26.3 | 54 65 66 | 2900 | 4.0 | 2.0 | 87 | |
| 40-125 | 4.4 6.3 8.3 | 1.22 17.5 2.31 | 21 20 18 | 41 47 44 | 2900 | 1.1 | 2.0 | 44 | 50-160(I)B | 15.2 21.8 28.3 | 4.22 6.02 7.86 | 26.3 24 22.5 | 51 63 62 | 2900 | 3.0 | 2.0 | 75 | |
| 40-125A | 3.9 5.6 7.4 | 1.08 1.56 2.06 | 17.6 16 14.4 | 40 45 41 | 2900 | 0.75 | 2.0 | 43 | 50-200(I) | 17.5 25 32.5 | 4.86 6.94 9.03 | 53 50 47 | 50 60 60 | 2900 | 7.5 | 2.0 | 123 | |
| 40-160 | 4.4 6.3 8.3 | 1.22 17.5 2.31 | 33 32 30 | 37 42 42 | 2900 | 2.2 | 2.0 | 58 | 50-200(I)A | 16.4 23.4 30.5 | 4.56 6.0 8.47 | 46.7 44 41 | 48 58 59 | 2900 | 5.5 | 2.0 | 123 | |
| 40-160A | 4.1 5.9 7.8 | 1.14 1.64 2.17 | 29 28 26.3 | 36 41 41 | 2900 | 1.5 | 2.0 | 55 | 50-250(I) | 17.5 25 32.5 | 4.86 6.94 9.03 | 82 81 78 | 39 54 54 | 2900 | 15 | 2.0 | 195 | |
| 40-160B | 3.8 5.5 7.2 | 1.06 1.53 2.0 | 25.5 24.0 22.5 | 36 40 40 | 2900 | 1.1 | 2.0 | 48 | 50-250(I)A | 16.4 23.4 30.5 | 4.56 6.5 8.47 | 71.7 70 68 | 37 53 54 | 2900 | 11 | 2.0 | 182 | |
| 40-200 | 4.4 6.3 8.3 | 1.22 1.75 2.31 | 51 50 48 | 28 35 33 | 2900 | 4.0 | 2.0 | 85 | 50-250(I)B | 15 21.628 | 4.17 6.0 7.78 | 61 60 58 | 37 51 54 | 2900 | 11 | 2.0 | 182 | |
| 40-200A | 4.1 5.9 7.8 | 1.14 1.64 2.17 | 45 44 42 | 27 32 31 | 2900 | 3.0 | 2.0 | 72 | 50-315(I) | 17.5 25 32.5 | 4.86 6.94 9.03 | 127 125 123 | 33 43 47 | 2900 | 30 | 2.0 | 330 | |
| 40-200B | 3.8 5.5 7.2 | 1.06 1.53 2.0 | 38 36 34.5 | 27 31 30 | 2900 | 2.2 | 2.0 | 62 | 50-315(I)A | 16.6 23.7 31 | 4.61 6.58 8.6 | 116 114 112 | 31 41 45 | 2900 | 22 | 2.0 | 270 | |
| 40-250 | 4.4 6.3 8.3 | 1.22 1.75 2.31 | 82 80 74 | 25 30 30 | 2900 | 7.5 | 2.0 | 116 | 50-315(I)B | 15.7 22.5 29.2 | 4.36 6.25 8 | 104.7 103 101 | 30 40 44 | 2900 | 18.5 | 2.0 | 220 | |
| 40-250A | 4.1 5.9 7.8 | 1.14 1.64 2.17 | 72 70 65 | 24 28 27 | 2900 | 5.5 | 2.0 | 110 | 65-100 | 17.5 25 32.5 | 4.86 6.94 9.03 | 13.7 12.5 10.5 | 67 69 69 | 2900 | 1.5 | 2.0 | 55 | |
| 40-250B | 3.8 5.5 7.2 | 1.06 1.53 2.0 | 61.5 60 50 | 23 27 26 | 2900 | 4.0 | 2.0 | 88 | 65-100A | 15.6 22.3 29 | 4.3 6.2 8.1 | 11 10 8.4 | 65 67 68 | 2900 | 1.1 | 2.0 | 50 | |
| 50-100 | 8.8 12.5 16.3 | 2.44 3.47 4.53 | 13.6 12.5 11.3 | 57 64 61 | 2900 | 1.1 | 2.0 | 46 | 65-125 | 17.5 25 32.5 | 4.86 6.94 9.03 | 22 20 18.5 | 67 72 70 | 2900 | 3.0 | 2.0 | 70 | |
| 50-100A | 8.0 11.0 14.5 | 2.22 3.05 4.03 | 11 10 9 | 56 62 60 | 2900 | 0.75 | 2.0 | 46 | 65-125A | 17.6 22.3 29 | 4.33 6.19 8.1 | 17.6 16 14.9 | 58 69 67 | 2900 | 2.2 | 2.0 | 60 | |
| 50-125 | 8.8 12.5 16.3 | 2.44 3.47 4.53 | 22 20 18.5 | 58 64 62 | 2900 | 1.5 | 2.0 | 55 | 65-160 | 17.5 25 32.5 | 4.86 6.94 9.03 | 35 32 30 | 59 70 69 | 2900 | 4.0 | 2.0 | 90 | |
| 50-125A | 8.0 11.0 14.5 | 2.22 3.05 4.03 | 17.6 16 14.9 | 47 61 60 | 2900 | 1.1 | 2.0 | 50 | 65-160A | 16.4 23.4 30.4 | 4.56 6.53 8.44 | 30.7 28 26.3 | 57 68 67 | 2900 | 4.0 | 2.0 | 90 | |
| 50-160 | 8.8 12.5 16.3 | 2.44 3.47 4.53 | 33.5 32 29.6 | 46 55 57 | 2900 | 3.0 | 2.0 | 73 | 65-160B | 15.2 21.8 28.3 | 4.22 6.60 7.86 | 26.3 24 22.5 | 54 65 66 | 2900 | 3.0 | 2.0 | 76 | |
| 50-160A | 8.0 11.0 14.5 | 2.22 3.05 4.03 | 29 28 26 | 43 53 56 | 2900 | 2.2 | 2.0 | 65 | 65-200 | 17.5 25 32.5 | 4.86 6.94 9.03 | 53 50 47 | 51 63 62 | 2900 | 7.5 | 2.0 | 123 | |
| 50-160B | 7.3 10.4 13.5 | 2.08 2.89 3.75 | 25.8 24 22.3 | 42 52 54 | 2900 | 1.5 | 2.0 | 60 | 65-200A | 16.4 23.4 30.5 | 4.56 6.52 8.47 | 46.7 44 41 | 50 60 60 | 2900 | 5.5 | 2.0 | 123 | |
| 50-200 | 8.8 12.5 16.3 | 2.44 3.47 4.53 | 52.5 50 48 | 41 50 53 | 2900 | 5.5 | 2.0 | 117 | 65-200B | 15 21.6 28 | 4.17 6.1 7.78 | 41 38 36 | 48 58 59 | 2900 | 5.5 | 2.0 | 113 | |
| 50-200A | 8.0 11.0 14.5 | 2.22 3.05 4.03 | 46.1 11 42.1 | 39 50 51 | 2900 | 4.0 | 2.0 | 95 | 65―250 | 17.5 25 32.5 | 4.86 6.94 9.03 | 82 80 78 | 39 54 54 | 2900 | 15 | 2.0 | 201 | |
| 50-200B | 7.3 10.4 13.5 | 2.03 289 3.75 | 40 38 36.5 | 39 49 50 | 2900 | 3.0 | 2.0 | 85 | 65-250A | 16.4 23.4 30.5 | 4.56 6.5 8.47 | 71.7 70 68 | 37 53 54 | 2900 | 11 | 2.0 | 191 | |
| 50-250 | 8.8 12.5 16.3 | 2.44 3.47 4.53 | 82 80 78.5 | 31 40 43 | 2900 | 11 | 2.0 | 180 | 65-250B | 15 21.6 28 | 4.17 6.0 7.78 | 61 60 58 | 37 51 54 | 2900 | 11 | 2.0 | 191 | |
| 50-250A | 8.0 11.0 14.5 | 2.22 3.05 4.03 | 71.8 70 68.8 | 29 38 41 | 2900 | 7.5 | 2.0 | 135 | 65-315 | 17.5 25 32.5 | 4.86 6.94 9.03 | 127 125 123 | 33 43 47 | 2900 | 30 | 2.5 | 345 | |
| 50-250B | 7.3 10.4 13.5 | 2.03 2.89 3.75 | 61.5 60 58.9 | 27.5 37 40 | 2900 | 7.5 | 2.0 | 135 | 65-315A | 16.6 23.7 31 | 4.61 6.58 8.6 | 116 114 112 | 31 41 45 | 2900 | 22 | 2.5 | 280 | |
| 50-100(I) | 17.5 25.0 32.5 | 4.86 6.94 9.03 | 13.7 12.5 10.5 | 67 69 69 | 2900 | 1.5 | 2.5 | 50 | 65-315B | 15.7 22.5 29.2 | 4.36 6.25 8.0 | 104.7 102 100 | 30 40 44 | 2900 | 18.5 | 2.5 | 250 | |
| 50-100(I)A | 15.6 22.3 29.0 | 4.3 6.2 8.1 | 11 10 8.4 | 65 67 68 | 2900 | 1.1 | 2.5 | 45 | 65-315C | 14.0 20.6 26.8 | 4.0 5.72 7.44 | 86 85 83 | 30 39 42 | 2900 | 15 | 2.5 | 230 | |
| 50-125(I) | 17.5 25 32.5 | 4.86 6.94 9.03 | 22 20 18.5 | 67 72 70 | 2900 | 3.0 | 2.5 | 65 | 65-100(I) | 35 50 65 | 9.72 13.9 18.1 | 13.8 12.5 10 | 69 77 73 | 2900 | 3.0 | 2.5 | 78 | |
| 50-125(I)A | 15.6 22.3 29 | 4.33 6.19 8.1 | 17.6 16 14.9 | 58 69 67 | 2900 | 2.2 | 2.5 | 58 | 65-100(I)A | 31.3 44.7 58 | 8.7 12.4 16.1 | 11 10 8 | 67 75 71 | 2900 | 2.2 | 2.5 | 68 | |
SLG水冷型低噪音泵性能表 II
| 型號 | 流量 | 揚程 m | 效率 % | 轉速 r/min | 電機功率 | 必需氣蝕余量 | 重量 Kg | 型號 | 流量 | 揚程 m | 效率 % | 轉速 r/min | 電機功率 | 必需氣蝕余量 | 重量 Kg | |||
| m3/h | L/S | m3/h | L/S | |||||||||||||||
| 65-125(I) | 35 50 65 | 9.72 13.9 18.1 | 22 20 17 | 67 78 77 | 2900 | 5.5 | 2.5 | 115 | 80-315B | 31 44.5 58 | 8.6 12.4 16.1 | 105.5 103 101.4 | 43 54 57 | 2900 | 30 | 2.5 | 370 | |
| 65-125(I)A | 31.3 45 58 | 9.1 13 16.9 | 18.5 16 13.6 | 64 75 74 | 2900 | 4.0 | 2.5 | 94 | 80-315C | 29 41 53.6 | 8.1 11.4 14.9 | 94 92 90.4 | 42 52 55 | 2900 | 22 | 2.5 | 300 | |
| 65-160(I) | 35 50 65 | 9.72 13.9 18.1 | 36 32 28 | 63 75 73 | 2900 | 7.5 | 2.5 | 119 | 80-350 | 35 50 65 | 9.72 13.9 18.1 | 157.5 150 142.5 | 49 55 57 | 2900 | 55 | 2.5 | 650 | |
| 65-160(I)A | 32.7 46.7 61 | 9.1 13.0 16.9 | 31.5 28 24.5 | 61 73 71 | 2900 | 7.5 | 2.5 | 119 | 80-350A | 32.5 46.5 60.5 | 9.0 12.9 16.8 | 147 138.5 132 | 48 53 56 | 2900 | 45 | 2.5 | 514 | |
| 65-160(I)B | 30.3 43.3 56.3 | 8.4 12.0 15.6 | 27 24 21.8 | 60 72 71 | 2900 | 5.5 | 2.5 | 113 | 80-350B | 31 44.5 58 | 8.6 12.4 16.1 | 140 133 125 | 48 53 54 | 2900 | 37 | 2.5 | 490 | |
| 65-200(I) | 35 50 65 | 9.72 13.9 18.1 | 53 50 47 | 53 72 73 | 2900 | 15 | 2.5 | 195 | 80-100(I) | 70 100 130 | 19.4 27.8 36.1 | 13.6 12.5 11 | 68 79 77 | 2900 | 5.5 | 4.5 | 128 | |
| 65-200(I)A | 32.8 47 61 | 9.1 13.1 16.9 | 47 44 40 | 55 70 71 | 2900 | 11 | 2.5 | 135 | 80-100(I)A | 62.6 89 116 | 17.4 21.7 32.2 | 11 10 9 | 67 78 76 | 2900 | 4.0 | 4.5 | 109 | |
| 65-200(I)B | 30.5 43.5 56.6 | 8.5 12.1 15.7 | 40.6 38 33.4 | 53 68 70 | 2900 | 11 | 2.5 | 135 | 80-125(I) | 70 100 130 | 19.4 27.8 36.1 | 24 20 16.5 | 69 80 76 | 2900 | 11 | 4.5 | 191 | |
| 65-250(I) | 35 50 65 | 9.72 13.1 16.9 | 83 80 75 | 54 66 69 | 2900 | 22 | 2.5 | 265 | 80-125(I)A | 62.6 89 116 | 17.4 24.7 32.2 | 19.2 16.4 13.2 | 67 78 75 | 2900 | 7.5 | 4.5 | 161 | |
| 65-250(I)A | 32.5 46.7 61 | 9.0 13.0 16.9 | 76.3 70 65.7 | 53 64 67 | 2900 | 18.5 | 2.5 | 235 | 80-160(I) | 70 100 130 | 19.4 27.8 36.1 | 36 32 28 | 71 79 75 | 2900 | 15 | 4.0 | 215 | |
| 65-250(I)B | 30 43.3 56 | 8.3 12.0 15.6 | 63 60 56.2 | 51 62 65 | 2900 | 15 | 2.5 | 210 | 80-160(I)A | 65.4 93.5 121.6 | 18.2 26 33.8 | 31.5 28 24.5 | 70 78 76 | 2900 | 11 | 4.0 | 205 | |
| 65-315(I) | 35 50 65 | 9.72 13.9 18.1 | 128 125 123 | 46 57 59 | 2900 | 37 | 2.5 | 380 | 80-200(I) | 70 100 130 | 19.4 27.8 36.1 | 54 50 42 | 67 78 79 | 2900 | 22 | 3.6 | 280 | |
| 65-315(I)A | 32.5 46.5 60.5 | 9.0 12.9 16.8 | 117 114 112 | 43 55 57 | 2900 | 30 | 2.5 | 360 | 80-200(I)A | 65.4 93.5 121.6 | 18.2 26.0 33.8 | 47.5 44 37 | 66 77 78 | 2900 | 18.5 | 3.6 | 251 | |
| 65-315(I)B | 31 44.5 58 | 8.6 12.4 16.1 | 105 103 101 | 40 53 56 | 2900 | 30 | 2.5 | 360 | 80-200(I)B | 61 87 113 | 16.9 24.2 31.4 | 41 38 32 | 66 77 77 | 2900 | 15 | 3.6 | 227 | |
| 65-315(I)C | 29 41 53.6 | 8.1 11.4 14.9 | 94 92 90.4 | 39 51 55 | 2900 | 22 | 2.5 | 270 | 80-250(I) | 70 100 130 | 19.4 27.8 36.1 | 87 80 74.5 | 63 75 76 | 2900 | 37 | 3.8 | 372 | |
| 80-100 | 35 50 65 | 9.72 13.9 18.1 | 13.8 12.5 10 | 68 77 73 | 2900 | 3.0 | 2.5 | 77 | 80-250(I)A | 65.5 93.5 121.6 | 18.2 26 33.8 | 76.1 70 65.2 | 62 74 75 | 2900 | 30 | 3.8 | 351 | |
| 80-100A | 31.3 44.7 58 | 8.7 12.4 16.1 | 11 10 8 | 68 75 71 | 2900 | 2.2 | 2.5 | 70 | 80-250(I)B | 61 87 113 | 16.9 24.2 31.4 | 65.3 60 56 | 61 73 74 | 2900 | 30 | 3.8 | 351 | |
| 80-125 | 35 50 65 | 9.72 13.9 18.1 | 22 20 17 | 67 78 77 | 2900 | 5.5 | 2.5 | 116 | 80-315(I) | 70 100 130 | 19.4 27.8 36.1 | 133 125 118 | 57 68 69 | 2900 | 75 | 3.6 | 728 | |
| 80-125A | 31.3 45 58 | 8.7 12.5 16.1 | 18 16 13.6 | 64 75 74 | 2900 | 4.0 | 2.5 | 96 | 80-315(I)A | 66.6 95 121.6 | 18.5 26.4 33.8 | 121.5 114 107.8 | 56 67 68 | 2900 | 55 | 3.6 | 670 | |
| 80-160 | 35 50 65 | 9.72 13.9 18.1 | 36 32 28 | 63 75 73 | 2900 | 7.5 | 2.5 | 126 | 80-315(I)B | 61 87 113 | 16.9 24.2 31.4 | 109.7 103 97.3 | 55 66 67 | 2900 | 45 | 3.6 | 490 | |
| 80-160A | 32.7 46.7 61 | 9.1 13.0 16.9 | 31.5 28 24.5 | 61 73 71 | 2900 | 7.5 | 2.5 | 126 | 100-100 | 70 100 130 | 19.4 27.8 36.1 | 13.6 12.5 11 | 68 79 77 | 2900 | 5.5 | 4.5 | 143 | |
| 80-160B | 30.3 43.3 56.3 | 8.4 12.0 15.6 | 27 24 21.8 | 60 72 71 | 2900 | 5.5 | 2.5 | 117 | 100-100A | 62.6 89 116 | 17.4 24.7 32.2 | 11 10 9 | 67 78 76 | 2900 | 4.0 | 4.5 | 120 | |
| 80-200 | 35 50 65 | 9.72 13.9 18.1 | 53 50 47 | 58 72 73 | 2900 | 15 | 2.5 | 195 | 100-125 | 70 100 130 | 19.4 27.8 36.1 | 22.5 20 16.5 | 69 80 76 | 2900 | 11 | 4.5 | 200 | |
| 80-200A | 32 47 61 | 9.1 13.1 16.9 | 47 44 40 | 55 70 71 | 2900 | 11 | 2.5 | 187 | 100-125A | 62.6 89 116 | 17.4 24.7 32.2 | 18.5 16.4 13.2 | 67 78 75 | 2900 | 7.5 | 4.5 | 170 | |
| 80-200B | 30.5 43.5 56.6 | 8.5 12.1 15.7 | 40.6 38 33.4 | 53 68 70 | 2900 | 7.5 | 2.5 | 140 | 100-160 | 70 100 130 | 19.4 27.8 36.1 | 36 32 28 | 71 79 75 | 2900 | 15 | 4.0 | 220 | |
| 80-250 | 35 50 65 | 9.72 13.9 18.1 | 83 80 75 | 54 66 69 | 2900 | 22 | 2.5 | 270 | 100-160A | 65.4 93.5 121.6 | 18.2 26 33.8 | 31.5 28 24.5 | 70 78 76 | 2900 | 11 | 4.0 | 210 | |
| 80-250A | 32.5 46.7 61 | 9.0 13 10.9 | 73 70 65.7 | 53 64 57 | 2900 | 18.5 | 2.5 | 240 | 100-200 | 70 100 130 | 19.4 27.8 36.1 | 54 50 42 | 67 78 79 | 2900 | 22 | 3.6 | 280 | |
| 80-250B | 30 43.3 56 | 8.3 12.0 15.6 | 63 60 56.2 | 51 62 65 | 2900 | 15 | 2.5 | 240 | 100-200A | 65.5 93.5 121.6 | 18.2 26 33.8 | 47.5 44 37 | 66 77 78 | 2900 | 18.5 | 3.6 | 250 | |
| 80-315 | 35 50 65 | 9.72 13.9 18.1 | 128 125 123 | 46 57 59 | 2900 | 37 | 2.5 | 390 | 100-200B | 61 87 113 | 16.9 24.2 31.4 | 41 38 32 | 66 77 77 | 2900 | 15 | 3.6 | 232 | |
| 80-315A | 32.5 46.5 60.5 | 9.0 12.9 16.8 | 117 114 112.3 | 44 56 58 | 2900 | 30 | 2.5 | 370 | 100-250 | 70 100 130 | 19.4 27.8 36.1 | 85 80 74.5 | 63 75 76 | 2900 | 37 | 3.8 | 395 | |
SLG水冷型低噪音泵性能表 III
| 型號 | 流量 | 揚程 m | 效率 % | 轉速 r/min | 電機功率 | 必需氣蝕余量 | 重量 Kg | 型號 | 流量 | 揚程 m | 效率 % | 轉速 r/min | 電機功率 | 必需氣蝕余量 | 重量 Kg | |||
| m3/h | L/S | m3/h | L/S | |||||||||||||||
| 100-250A | 65.5 93.5 121.6 | 18.2 26 33.8 | 76.1 70 65.2 | 62 74 75 | 2900 | 30 | 3.8 | 380 | 150-250A | 129 184 240 | 35.8 51.2 66.7 | 18.5 17 14.4 | 74 80 77 | 1450 | 15 | 3.0 | 262 | |
| 100-250B | 61 87 113 | 16.9 24.2 31.4 | 65.3 60 56 | 61 73 74 | 2900 | 30 | 3.8 | 380 | 150-250B | 117 167 217.4 | 32.5 46.4 60.4 | 15.2 14 12 | 72 78 75 | 1450 | 11 | 3.0 | 240 | |
| 100-315 | 70 100 130 | 19.4 27.8 36.1 | 133 125 118 | 57 68 69 | 2900 | 75 | 3.6 | 760 | 150-315 | 140 200 260 | 38.9 55.6 72.2 | 34 32 28.5 | 73 81 81 | 1450 | 30 | 2.5 | 450 | |
| 100-315A | 66.6 95 121.6 | 18.5 26.4 33.8 | 121.5 114 107.8 | 56 67 68 | 2900 | 55 | 3.6 | 730 | 150-315A | 131 187 243 | 36.4 51.9 67.5 | 29.8 28 24.0 | 70 79 80 | 1450 | 22 | 2.5 | 430 | |
| 100-315B | 61 87 113 | 16.9 24.2 31.4 | 109.7 103 97..3 | 55 66 67 | 2900 | 45 | 3.6 | 514 | 150-315B | 121 173 225 | 33.6 48.1 62.5 | 25.5 24 21.4 | 69 78 79 | 1450 | 18.5 | 2.5 | 410 | |
| 100-315C | 58 82 100 | 16.1 22.8 29.7 | 97.8 92 88 | 54 65 66 | 2900 | 37 | 3.6 | 511 | 150-400 | 140 200 260 | 38.9 55.6 72.2 | 53 50 46 | 70 77 76 | 1450 | 45 | 2.8 | 590 | |
| 100-350 | 70 100 130 | 19.4 27.8 36.1 | 158 150 140 | 59 63 65 | 2900 | 90 | 3.8 | 950 | 150-400A | 131 187 243 | 36.4 51.9 67.5 | 46.6 44 38 | 69 76 75 | 1450 | 37 | 2.8 | 551 | |
| 100-350A | 65.4 93.5 121.6 | 18.2 26.0 33.8 | 147 139 132 | 58 62 64 | 2900 | 75 | 3.8 | 710 | 150-400B | 122 174 226 | 33.9 48.3 62.9 | 40.3 38 35 | 68 75 74 | 1450 | 30 | 2.8 | 530 | |
| 100-350B | 61 87 113 | 16.9 24.2 31.4 | 140 135 125 | 57 61 63 | 2900 | 55 | 3.8 | 650 | 150-400C | 112 160 208 | 31.1 44.4 57.8 | 34 32 28 | 67 73 71 | 1450 | 22 | 2.8 | 481 | |
| 125-125 | 96 160 192 | 26.7 44.4 53.3 | 22.6 20 17 | 78 82 84 | 2900 | 15 | 3.6 | 277 | 150-250(I) | 120 200 240 | 33.3 55.6 66.7 | 87 80 72 | 68 80 77 | 2900 | 75 | 4.2 | 802 | |
| 125-125A | 86 143 172 | 23.9 39.7 47.8 | 18 16 13.6 | 76 80 82 | 2900 | 11 | 3.6 | 262 | 150-250(I)A | 112 187 224 | 31.1 51.9 62.2 | 76 70 63 | 67 79 76 | 2900 | 55 | 4.2 | 650 | |
| 125-160 | 96 160 192 | 26.7 44.4 53.3 | 36 32 28 | 74 79 80 | 2900 | 22 | 3.6 | 315 | 150-250(I)B | 104 173 208 | 28.9 48.1 57.8 | 65 60 54 | 66 77 75 | 2900 | 45 | 4.2 | 565 | |
| 125-160A | 90 150 180 | 25 41.7 50 | 31.5 28 24.5 | 73 78 78 | 2900 | 18.5 | 3.6 | 280 | 150-315(I) | 120 200 240 | 33.3 55.6 66.7 | 133 125 120 | 63 78 79 | 2900 | 110 | 4.5 | 1080 | |
| 125-160B | 83 138 166 | 21.7 38.3 46.1 | 27 24 21 | 71 76 77 | 2900 | 15 | 3.6 | 260 | 150-315(I)A | 112 187 224 | 31.1 51.9 62.2 | 116 114 109 | 61 77 78 | 2900 | 90 | 4.5 | 910 | |
| 125-200 | 96 160 192 | 26.7 44.4 53.3 | 55 50 46 | 74 79 81 | 2900 | 37 | 5.0 | 451 | 150-315(I)B | 104 173 208 | 28.9 48.1 57.8 | 109 105 99 | 60 75 77 | 2900 | 75 | 4.5 | 830 | |
| 125-200A | 90 150 180 | 25 41.7 50 | 48.4 44 40.5 | 73 78 80 | 2900 | 30 | 5.0 | 437 | 200-200 | 140 200 260 | 38.9 55.6 72.2 | 13.8 12.5 10.5 | 70 80 80 | 1450 | 15 | 3.0 | 365 | |
| 125-200B | 83 138 166 | 21.7 38.3 46.1 | 41.3 37.5 34.5 | 72 77 79 | 2900 | 22 | 5.0 | 355 | 200-200A | 125 179 233 | 34.7 49.7 64.7 | 11 10 8.5 | 68 78 78 | 1450 | 11 | 3.0 | 340 | |
| 125-250 | 96 160 192 | 26.7 44.4 53.3 | 87 80 73 | 73 77 79 | 2900 | 55 | 4.5 | 665 | 200-250 | 140 200 260 | 28.9 55.6 72.2 | 38.9 20 17 | 75 81 79 | 1450 | 18.5 | 3.0 | 310 | |
| 125-250A | 90 150 180 | 25 41.7 50 | 76 70 64 | 72 75 78 | 2900 | 45 | 4.5 | 577 | 200-250A | 129 184 240 | 35.8 51.2 66.7 | 18.5 17 14.4 | 74 80 77 | 1450 | 15 | 3.0 | 275 | |
| 125-250B | 83 138 166 | 21.7 38.3 46.1 | 65 60 55 | 71 74 77 | 2900 | 37 | 4.5 | 512 | 200-315 | 140 200 260 | 38.9 55.6 72.2 | 34 32 28.5 | 73 81 81 | 1450 | 30 | 2.5 | 520 | |
| 125-315 | 96 160 192 | 26.7 44.7 53.8 | 133 125 119 | 70 73 75 | 2900 | 90 | 4.5 | 905 | 200-315A | 131 187 243 | 36.9 51.9 67.5 | 29.8 28 24.9 | 70 79 80 | 1450 | 22 | 2.5 | 500 | |
| 125-315A | 90 150 180 | 25 41.7 50 | 117 110 104.6 | 69 72 73 | 2900 | 75 | 4.5 | 815 | 200-315B | 121 173 225 | 33.6 41.1 62.5 | 25.5 24 21.4 | 69 78 79 | 1450 | 18.5 | 2.5 | 480 | |
| 125-315B | 86 143 172 | 23.9 39.7 47.8 | 106.4 100 95.2 | 67 71 72 | 2900 | 75 | 4.5 | 815 | 200-400 | 140 200 260 | 38.9 55.6 72.2 | 53 50 46 | 70 77 76 | 1450 | 45 | 2.8 | 590 | |
| 125-315C | 80.5 134 167 | 22.4 37.2 46.4 | 96 88 86 | 66 70 71 | 2900 | 55 | 4.5 | 690 | 200-400A | 131 187 243 | 36.4 51.9 67.5 | 46.6 44 38 | 69 76 75 | 1450 | 37 | 2.8 | 560 | |
| 125-350 | 96 160 192 | 26.7 44.7 53.8 | 162 150 137 | 70 75 74 | 2900 | 110 | 3.8 | 1400 | 200-400B | 122 174 226 | 33.9 48.3 62.9 | 40.3 38 35 | 68 75 74 | 1450 | 30 | 2.8 | 541 | |
| 125-350A | 90 150 180 | 25 41.7 50 | 147 139 132 | 69 74 74 | 2900 | 90 | 3.8 | 1090 | 200-400C | 112 160 208 | 31.1 44.4 57.8 | 34 32 28 | 67 73 71 | 1450 | 22 | 2.8 | 472 | |
| 125-350B | 86 143 172 | 23.9 39.7 47.8 | 140 135 125 | 68 73 73 | 2900 | 75 | 3.8 | 850 | 200-200 | 280 400 520 | 77.8 111.1 144 | 13.4 12.5 10.5 | 72 82 81 | 1450 | 22 | 4.0 | 491 | |
| 150-200 | 140 200 260 | 38.9 55.6 72.2 | 13.8 12.5 10.5 | 7080 80 | 1450 | 15 | 3.0 | 260 | 200-200A | 250 358 465 | 69.4 99.4 129.2 | 10.7 10 8.5 | 70 80 79 | 1450 | 18.5 | 4.0 | 467 | |
| 150-200A | 125 179 233 | 34.7 49.7 64.7 | 11 10 8.5 | 68 78 78 | 1450 | 11 | 3.0 | 240 | 200-250(I) | 280 400 520 | 77.8 111.1 144 | 22.5 20 16 | 78 84 82 | 1450 | 30 | 4.1 | 581 | |
| 150-250 | 140 200 260 | 38.9 55.6 72.2 | 21.8 20 17 | 75 81 79 | 1450 | 18.5 | 3.0 | 300 | 200-250(I)A | 250 358 465 | 69.4 99.4 129.2 | 19.8 17.5 13.8 | 77 83 80 | 1450 | 22 | 4.1 | 551 | |
SLG水冷型低噪音泵性能表 IV
| 型號 | 流量 | 揚程 m | 效率 % | 轉速 r/min | 電機功率 | 必需氣蝕余量 | 重量 Kg | 型號 | 流量 | 揚程 m | 效率 % | 轉速 r/min | 電機功率 | 必需氣蝕余量 | 重量 Kg | |||
| m3/h | L/S | m3/h | L/S | |||||||||||||||
| 200-315(I) | 280 400 520 | 77.8 111.8 144 | 37 32 26.5 | 73 84 82 | 1450 | 55 | 3.5 | 780 | 300-380 | 480 720 900 | 133.8 200 250 | 48 44 34 | 78 85 83 | 970 | 132 | 5.0 | 2100 | |
| 200-315(I)A | 262 374 486 | 72.8 103.9 135 | 32.4 28 23 | 71 83 81 | 1450 | 45 | 3.5 | 760 | 300-380A | 444 666 833 | 123.3 185 213.4 | 41.4 38 30 | 77 83 81 | 970 | 110 | 5.0 | 1900 | |
| 200-315(I)B | 242 346 450 | 67.2 96.1 125 | 27.8 24 19.5 | 72 82 80 | 1450 | 37 | 3.8 | 630 | 300-380B | 409 614 767 | 113.6 170.6 213.1 | 35 32 25 | 77 81 80 | 970 | 90 | 5.0 | 1730 | |
| 200-400(I) | 280 400 520 | 77.8 111.1 144 | 54.5 50 39 | 76 83 78 | 1450 | 75 | 3.8 | 950 | 300-400 | 500 720 900 | 127.8 180.6 233.3 | 47 44 37 | 78 81 80 | 1450 | 132 | 5.5 | 1870 | |
| 200-400(I)A | 262 374 486 | 72.8 103.9 135 | 48.4 44 40 | 75 81 77 | 1450 | 75 | 3.8 | 950 | 300-400A | 420 600 780 | 127.8 180.6 233.3 | 47 44 37 | 78 81 80 | 1450 | 110 | 5.5 | 1670 | |
| 200-400(I)B | 232 346 450 | 67.2 96.1 125 | 41.8 38 34.2 | 74 80 75 | 1450 | 55 | 3.8 | 795 | 300-460 | 480 720 900 | 133.3 200 250 | 71 65 58 | 75 81 82 | 1450 | 180 | 5.5 | 2320 | |
| 200-400(I)C | 224 320 410 | 62.2 88.9 115.6 | 34.9 32 29 | 71 78 73 | 1450 | 45 | 3.8 | 690 | 300-460A | 444 666 833 | 123.3 185 231.4 | 60 55 49 | 74 80 81 | 1450 | 160 | 5.5 | 1830 | |
| 200-510(I) | 280 40 520 | 77.8 111.1 144 | 87 80 77 | 73 80 77 | 1450 | 132 | 3.8 | 1870 | 300-460B | 409 614 767 | 113.6 170.6 213.1 | 49 4 35 | 73 79 80 | 1450 | 110 | 5.5 | 1730 | |
| 200-510(I)A | 262 374 486 | 72.8 103.9 135 | 76 70 62 | 72 79 76 | 1450 | 110 | 3.8 | 1710 | 300-510 | 480 720 900 | 133.3 200 250 | 84 80 72 | 75 81 82 | 1450 | 250 | 5.5 | 2320 | |
| 200-510(I)B | 242 346 450 | 67.2 96 135 | 65 60 54 | 71 78 75 | 1450 | 90 | 3.8 | 1490 | 300-510A | 444 666 833 | 123.3 185 213.4 | 74 70 63 | 74 80 81 | 1450 | 200 | 5.5 | 1830 | |
| 250-250 | 400 550 670 | 111.1 152.8 186.1 | 22.2 20 16 | 80 84 84 | 1450 | 45 | 5.0 | 750 | 300-510B | 409 614 767 | 113.6 170.6 213.1 | 66 63 59 | 73 79 80 | 1450 | 160 | 5.5 | 1730 | |
| 250-250A | 365 500 600 | 101.4 138.9 166.7 | 19 17 14 | 79 82 85 | 1450 | 37 | 5.0 | 680 | 300-235(I) | 718 1080 1345 | 199.4 300 373.6 | 44.6 40 34.6 | 79 82 80 | 1450 | 160 | 5.5 | 1830 | |
| 250-315 | 400 550 670 | 111.1 152.8 186.1 | 36 32 26 | 77 82 84 | 1450 | 75 | 5.0 | 1055 | 300-235(I)A | 642 965 1203 | 178.3 268.1 334 | 35.7 32 27.7 | 78 80 78 | 1450 | 132 | 5.5 | 1620 | |
| 250-315A | 365 500 600 | 101.4 152.8 186.1 | 31.5 28 23 | 76 80 82 | 1450 | 55 | 5.0 | 980 | 350-315 | 1000 1200 1450 | 277.8 333.3 402.8 | 23 20 16 | 76 80 78 | 970 | 110 | 5.5 | 1730 | |
| 250-400 | 400 550 670 | 111.1 152.8 186.1 | 54.5 50 39 | 74 78 80 | 1450 | 110 | 5.0 | 1700 | 350-315A | 900 1080 1300 | 250 300 361 | 19 17 14 | 75 78 76 | 970 | 75 | 5.5 | 1400 | |
| 250-400A | 365 500 600 | 101.4 138.9 166.7 | 47 44 35 | 74 77 79 | 1450 | 90 | 5.0 | 1155 | 350-400 | 1000 1200 1450 | 277.8 333.3 402.8 | 36 32 26 | 75 78 76 | 970 | 160 | 6.0 | 2020 | |
| 250-400B | 325 450 530 | 90.3 125 147.2 | 41.2 38 34.2 | 73 76 78 | 1450 | 75 | 5.0 | 1055 | 350-400A | 900 1080 1300 | 250 300 361 | 31.5 28 23 | 74 76 74 | 970 | 132 | 6.0 | 1970 | |
| 250-480 | 400 550 670 | 111.1 152.8 186.1 | 76 70 63 | 73 76 78 | 1450 | 160 | 5.0 | 180 | 350-460 | 1000 1200 1400 | 250 333.3 400 | 54 50 43 | 70 74 72 | 970 | 250 | 6.5 | 2620 | |
| 250-480A | 365 500 600 | 101.4 138.9 166.7 | 65 60 54 | 74 75 77 | 1450 | 132 | 5.0 | 1780 | 350-460A | 819 1090 1310 | 227.5 302.7 363.9 | 47 44 38 | 68 72 70 | 970 | 200 | 6.5 | 2430 | |
| 250-480B | 325 450 530 | 90.3 125 147.2 | 55 51 46 | 73 74 76 | 1450 | 90 | 5.0 | 1350 | 350-460B | 745 994 1192 | 207 276 331.2 | 42 38.5 34 | 60 70 68 | 970 | 20 | 6.5 | 2430 | |
| 250-510 | 400 550 670 | 111.1 152.8 186.1 | 86 80 74 | 73 78 76 | 1450 | 185 | 5.0 | 1740 | 400-400 | 1200 1600 1900 | 333.3 444.4 527.8 | 23 20 15 | 81 85 74 | 970 | 110 | 6.5 | 1950 | |
| 250-510A | 365 50 600 | 101.4 138.9 166.7 | 76 70 64 | 72 77 75 | 1450 | 160 | 5.0 | 1700 | 400-400A | 1092 1456 1729 | 303.3 404.4 480.4 | 19.5 17.0 13.0 | 80 84 73 | 970 | 90 | 6.5 | 1730 | |
| 250-510B | 325 450 530 | 90.3 125 147.2 | 66 60 54 | 71 78 74 | 1450 | 132 | 5.0 | 1640 | 400-400B | 994 1325 1573 | 226 368 437 | 16.2 14.0 11.2 | 79 83 72 | 970 | 75 | 6.5 | 1570 | |
| 300-235 | 480 720 900 | 133.3 200 250 | 20 18 15.5 | 77 83 77 | 970 | 55 | 5.0 | 1270 | 400-460 | 1200 1600 1900 | 333.3 444.4 527.8 | 35 32 26 | 80 85 78 | 970 | 200 | 6.5 | 2910 | |
| 300-235A | 438 600 821 | 121.7 182.5 228 | 16.5 15 13 | 76 81 76 | 970 | 45 | 5.0 | 1180 | 400-460A | 1092 1456 1729 | 323.3 404.4 480.3 | 30 27.5 22.5 | 79 84 77 | 970 | 160 | 6.5 | 2630 | |
| 300-300 | 480 720 900 | 133.3 200 250 | 31 28 24 | 77 83 81 | 970 | 75 | 5.0 | 1490 | 400-460B | 664 1325 1573 | 276 368 437 | 26 23.5 19 | 77 82 75 | 970 | 132 | 6.5 | 2210 | |
| 300-300A | 444 666 833 | 123.3 185 231.4 | 26.5 24 21.5 | 76 82 78 | 970 | 75 | 5.0 | 1490 | 400-460(I) | 1800 2400 2650 | 500 667 792 | 76 70 57 | 81 86 79 | 1450 | 560 | 10.0 | 4250 | |
| 300-300B | 409 614 767 | 113.6 170.6 213.1 | 23 21 18.5 | 74 80 76 | 970 | 55 | 5.0 | 1320 | 400-460(I)A | 1612 2150 2363 | 448 597 656 | 66 60 50 | 80 85 78 | 1450 | 450 | 10.0 | 3020 | |
| 300-315 | 500 720 900 | 138.9 200 250 | 35 32 28 | 76 82 78 | 1450 | 90 | 5.0 | 1530 | 500-470 | 1650 2000 2450 | 680.6 556 458.3 | 23 20 17 | 75 80 79 | 970 | 160 | 10.0 | 2400 | |
| 300-315A | 420 600 780 | 116.7 166.7 216.6 | 30 8 24.5 | 74 81 76 | 1450 | 75 | 5.0 | 1360 | 500-470A | 1480 1800 2200 | 411.1 500 611.1 | 19 17 15 | 72 79 77 | 970 | 132 | 10.0 | 2320 | |
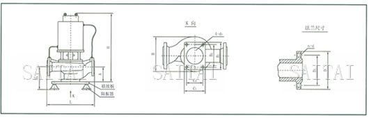
SLG水冷型低噪音泵外形與安裝尺寸

SLG水冷型低噪音泵外形與安裝尺寸
| 序號 | 型號 | 外形尺寸 | 安裝尺寸 | 進出口法蘭尺寸 | 隔振器(墊) | 基礎選配序號 | |||||||
| L | H | C1×B1 | A | C2×B2 | 4-d1 | D | D1 | n-d | 型 號 | H1 | |||
| 1 | 40-100 | 260 | 390 | 100×150 | 80 | 70×120 | 14 | ф150 | ф110 | 4-ф18 | SD61-0.5 | 100 | 1 |
| 2 | 40-100A | 260 | 390 | 100×150 | 80 | 70×120 | 14 | ф150 | ф110 | 4-ф18 | SD61-0.5 | 100 | 1 |
| 3 | 40-125 | 280 | 400 | 100×150 | 85 | 70×120 | 14 | ф150 | ф110 | 4-ф18 | SD61-0.5 | 105 | 1 |
| 4 | 40-125A | 280 | 400 | 100×150 | 85 | 70×120 | 14 | ф150 | ф110 | 4-ф18 | SD61-0.5 | 105 | 1 |
| 5 | 40-160 | 320 | 450 | 100×150 | 80 | 70×120 | 14 | ф150 | ф110 | 4-ф18 | SD61-0.5 | 100 | 1 |
| 6 | 40-160A | 320 | 435 | 100×150 | 80 | 70×120 | 14 | ф150 | ф110 | 4-ф18 | SD61-0.5 | 100 | 1 |
| 7 | 40-160B | 320 | 410 | 100×150 | 80 | 70×120 | 14 | ф150 | ф110 | 4-ф18 | SD61-0.5 | 100 | 1 |
| 8 | 40-200 | 340 | 520 | 120×170 | 85 | 80×130 | 14 | ф150 | ф110 | 4-ф18 | SD61-0.5 | 105 | 2 |
| 9 | 40-200A | 340 | 500 | 120×170 | 85 | 80×130 | 14 | ф150 | ф110 | 4-ф18 | SD61-0.5 | 105 | 2 |
| 10 | 40-200B | 340 | 475 | 120×170 | 85 | 80×130 | 14 | ф150 | ф110 | 4-ф18 | SD61-0.5 | 105 | 2 |
| 11 | 40-250 | 400 | 600 | 120×170 | 90 | 80×130 | 14 | ф150 | ф110 | 4-ф18 | JG2-1 | 210 | 2 |
| 12 | 40-250A | 400 | 600 | 120×170 | 90 | 80×130 | 14 | ф150 | ф110 | 4-ф18 | JG2-1 | 210 | 2 |
| 13 | 40-250B | 400 | 545 | 120×170 | 90 | 80×130 | 14 | ф150 | ф110 | 4-ф18 | JG2-1 | 210 | 2 |
| 14 | 50-100 | 290 | 390 | 100×150 | 95 | 70×120 | 14 | ф165 | ф125 | 4-ф18 | SD61-0.5 | 115 | 1 |
| 15 | 50-100A | 290 | 390 | 100×150 | 95 | 70×120 | 14 | ф165 | ф125 | 4-ф18 | SD61-0.5 | 115 | 1 |
| 16 | 50-125 | 300 | 430 | 100×150 | 95 | 70×120 | 14 | ф165 | ф125 | 4-ф18 | SD61-0.5 | 115 | 1 |
| 17 | 50-125A | 300 | 415 | 100×150 | 95 | 70×120 | 14 | ф165 | ф125 | 4-ф18 | SD61-0.5 | 115 | 1 |
| 18 | 50-160 | 320 | 520 | 120×170 | 95 | 80×130 | 14 | ф165 | ф125 | 4-ф18 | SD61-0.5 | 115 | 2 |
| 19 | 50-160A | 320 | 495 | 120×170 | 95 | 80×130 | 14 | ф165 | ф125 | 4-ф18 | SD61-0.5 | 115 | 2 |
| 20 | 50-160B | 320 | 475 | 120×170 | 95 | 80×130 | 14 | ф165 | ф125 | 4-ф18 | SD61-0.5 | 115 | 2 |
| 21 | 50-200 | 360 | 580 | 120×170 | 95 | 80×130 | 14 | ф165 | ф125 | 4-ф18 | SD61-0.5 | 115 | 2 |
| 22 | 50-200A | 360 | 520 | 120×170 | 95 | 80×130 | 14 | ф165 | ф125 | 4-ф18 | SD61-0.5 | 115 | 2 |
| 23 | 50-200B | 360 | 500 | 120×170 | 95 | 80×130 | 14 | ф165 | ф125 | 4-ф18 | SD61-0.5 | 115 | 2 |
| 24 | 50-250 | 440 | 700 | 140×200 | 95 | 100×160 | 18 | ф165 | ф125 | 4-ф18 | JG2-1 | 220 | 3 |
| 25 | 50-250A | 440 | 570 | 140×200 | 95 | 100×160 | 18 | ф165 | ф125 | 4-ф18 | JG2-1 | 220 | 3 |
| 26 | 50-250B | 440 | 570 | 140×200 | 95 | 100×160 | 18 | ф165 | ф125 | 4-ф18 | JG2-1 | 220 | 3 |
| 27 | 50-100(I) | 320 | 420 | 140×200 | 95 | 100×160 | 18 | ф165 | ф125 | 4-ф18 | SD61-0.5 | 115 | 3 |
| 28 | 50-100(I)A | 320 | 420 | 140×200 | 95 | 100×160 | 18 | ф165 | ф125 | 4-ф18 | SD61-0.5 | 115 | 3 |
| 29 | 50-125(I) | 340 | 490 | 140×200 | 100 | 100×160 | 18 | ф165 | ф125 | 4-ф18 | SD61-0.5 | 120 | 3 |
| 30 | 50-125(I)A | 340 | 490 | 140×200 | 100 | 100×160 | 18 | ф165 | ф125 | 4-ф18 | SD61-0.5 | 120 | 3 |
| 31 | 50-160(I) | 360 | 550 | 140×200 | 100 | 100×160 | 18 | ф165 | ф125 | 4-ф18 | SD61-0.5 | 120 | 3 |
| 32 | 50-160(I)A | 360 | 550 | 140×200 | 100 | 100×160 | 18 | ф165 | ф125 | 4-ф18 | SD61-0.5 | 120 | 3 |
| 33 | 50-160(I)B | 360 | 530 | 140×200 | 100 | 100×160 | 18 | ф165 | ф125 | 4-ф18 | SD61-0.5 | 120 | 3 |
| 34 | 50-200(I) | 380 | 585 | 140×200 | 100 | 100×160 | 18 | ф165 | ф125 | 4-ф18 | JG2-1 | 220 | 3 |
| 35 | 50-200(I)A | 380 | 585 | 140×200 | 100 | 100×160 | 18 | ф165 | ф125 | 4-ф18 | JG2-1 | 220 | 3 |
| 36 | 50-250(I) | 480 | 705 | 160×220 | 115 | 120×180 | 18 | ф165 | ф125 | 4-ф18 | JG2-1 | 235 | 4 |
| 37 | 50-250(I)A | 480 | 705 | 160×220 | 115 | 120×180 | 18 | ф165 | ф125 | 4-ф18 | JG2-1 | 235 | 4 |
| 38 | 50-250(I)B | 480 | 705 | 160×220 | 115 | 120×180 | 18 | ф165 | ф125 | 4-ф18 | JG2-1 | 235 | 4 |
| 39 | 50-315(I) | 550 | 905 | 190×280 | 130 | 150×240 | 18 | ф165 | ф125 | 4-ф18 | JG2-2 | 250 | 5a |
| 40 | 50-315(I)A | 550 | 840 | 190×280 | 130 | 150×240 | 18 | ф165 | ф125 | 4-ф18 | JG2-2 | 250 | 5a |
| 41 | 50-315(I)B | 550 | 810 | 190×280 | 130 | 150×240 | 18 | ф165 | ф125 | 4-ф18 | JG2-2 | 250 | 5a |
| 42 | 65-100 | 320 | 420 | 140×200 | 95 | 100×160 | 18 | ф185 | ф145 | 4-ф18 | SD61-0.5 | 115 | 3 |
| 43 | 65-100A | 320 | 420 | 140×200 | 95 | 100×160 | 18 | ф185 | ф145 | 4-ф18 | SD61-0.5 | 115 | 3 |
| 44 | 65-125 | 340 | 500 | 140×200 | 100 | 100×160 | 18 | ф185 | ф145 | 4-ф18 | SD61-0.5 | 120 | 3 |
| 45 | 65-125A | 340 | 500 | 140×200 | 100 | 100×160 | 18 | ф185 | ф145 | 4-ф18 | SD61-0.5 | 120 | 3 |
| 46 | 65-160 | 360 | 550 | 140×200 | 100 | 100×160 | 18 | ф185 | ф145 | 4-ф18 | SD61-0.5 | 120 | 3 |
| 47 | 65-160A | 360 | 550 | 140×200 | 100 | 100×160 | 18 | ф185 | ф145 | 4-ф18 | SD61-0.5 | 120 | 3 |
| 48 | 65-160B | 360 | 530 | 140×200 | 100 | 100×160 | 18 | ф185 | ф145 | 4-ф18 | SD61-0.5 | 120 | 3 |
| 49 | 65-200 | 380 | 585 | 140×200 | 100 | 100×160 | 18 | ф185 | ф145 | 4-ф18 | JG2-1 | 220 | 3 |
| 50 | 65-200A | 380 | 585 | 140×200 | 100 | 100×160 | 18 | ф185 | ф145 | 4-ф18 | JG2-1 | 220 | 3 |
| 51 | 65-200B | 380 | 585 | 140×200 | 100 | 100×160 | 14 | ф185 | ф145 | 4-ф18 | JG2-1 | 220 | 3 |
| 52 | 65-250 | 480 | 705 | 160×220 | 115 | 120×180 | 14 | ф185 | ф145 | 4-ф18 | JG2-1 | 235 | 4 |
| 53 | 65-250A | 480 | 705 | 160×220 | 115 | 120×180 | 14 | ф185 | ф145 | 4-ф18 | JG2-1 | 235 | 4 |
| 54 | 65-250B | 480 | 705 | 160×220 | 115 | 120×180 | 14 | ф185 | ф145 | 4-ф18 | JG2-1 | 235 | 4 |
| 55 | 65-315 | 540 | 920 | 190×280 | 115 | 150×240 | 14 | ф185 | ф145 | 4-ф18 | JG2-2 | 250 | 5a |
| 56 | 65-315A | 540 | 855 | 190×280 | 115 | 150×240 | 14 | ф185 | ф145 | 4-ф18 | JG2-2 | 250 | 5a |
| 57 | 65-315B | 540 | 830 | 190×280 | 115 | 150×240 | 14 | ф185 | ф145 | 4-ф18 | JG2-2 | 250 | 5a |
| 58 | 65-315C | 540 | 785 | 190×280 | 115 | 150×240 | 14 | ф185 | ф145 | 4-ф18 | JG2-2 | 250 | 5a |
| 59 | 65-100(I) | 400 | 530 | 140×200 | 120 | 100×160 | 14 | ф185 | ф145 | 4-ф18 | SD61-0.5 | 140 | 3 |
| 60 | 65-100(I)A | 400 | 530 | 140×200 | 120 | 100×160 | 14 | ф185 | ф145 | 4-ф18 | SD61-0.5 | 140 | 3 |
| 61 | 65-125(I) | 400 | 610 | 140×200 | 120 | 100×160 | 14 | ф185 | ф145 | 4-ф18 | JG2-1 | 240 | 3 |
| 62 | 65-125(I)A | 400 | 610 | 140×200 | 120 | 100×160 | 14 | ф185 | ф145 | 4-ф18 | JG2-1 | 240 | 3 |
| 63 | 65-160(I) | 400 | 615 | 140×200 | 120 | 100×160 | 14 | ф185 | ф145 | 4-ф18 | JG2-1 | 240 | 3 |
| 64 | 65-160(I)A | 400 | 615 | 140×200 | 120 | 100×160 | 14 | ф185 | ф145 | 4-ф18 | JG2-1 | 240 | 3 |
| 65 | 65-160(I)B | 400 | 615 | 140×200 | 120 | 100×160 | 14 | ф185 | ф145 | 4-ф18 | JG2-1 | 240 | 3 |
| 66 | 65-200(I) | 430 | 710 | 140×200 | 125 | 100×160 | 14 | ф185 | ф145 | 4-ф18 | JG2-2 | 245 | 3 |
| 67 | 65-200(I)A | 430 | 710 | 140×200 | 125 | 100×160 | 14 | ф185 | ф145 | 4-ф18 | JG2-2 | 245 | 3 |
| 68 | 65-200(I)B | 430 | 580 | 140×200 | 125 | 100×160 | 14 | ф185 | ф145 | 4-ф18 | JG2-2 | 245 | 3 |
| 69 | 65-250(I) | 480 | 770 | 160×220 | 125 | 120×180 | 14 | ф185 | ф145 | 4-ф18 | JG2-2 | 245 | 4 |
| 70 | 65-250(I)A | 480 | 750 | 160×220 | 125 | 120×180 | 14 | ф185 | ф145 | 4-ф18 | JG2-2 | 245 | 4 |
| 71 | 65-250(I)B | 480 | 705 | 160×220 | 125 | 120×180 | 14 | ф185 | ф145 | 4-ф18 | JG2-2 | 245 | 4 |
| 72 | 65-315(I) | 600 | 1000 | 190×280 | 130 | 150×240 | 14 | ф185 | ф145 | 4-ф18 | JG2-2 | 260 | 4 |
| 73 | 65-315(I)A | 600 | 1000 | 190×280 | 130 | 150×240 | 14 | ф185 | ф145 | 4-ф18 | JG2-2 | 260 | 4 |
| 74 | 65-315(I)B | 600 | 1000 | 190×280 | 130 | 150×240 | 14 | ф185 | ф145 | 4-ф18 | JG2-2 | 260 | 4 |
| 75 | 65-315(I)C | 600 | 885 | 190×280 | 130 | 150×240 | 14 | ф185 | ф145 | 4-ф18 | JG2-2 | 260 | 4 |
| 76 | 80-100 | 400 | 610 | 140×200 | 120 | 100×160 | 18 | ф200 | ф145 | 8-ф18 | SD61-0.5 | 140 | 3 |
| 77 | 80-100A | 400 | 610 | 140×200 | 120 | 100×160 | 18 | ф200 | ф145 | 8-ф18 | SD61-0.5 | 140 | 3 |
| 78 | 80-125 | 400 | 610 | 140×200 | 120 | 100×160 | 18 | ф200 | ф160 | 8-ф18 | JG2-1 | 240 | 3 |
| 79 | 80-125A | 400 | 610 | 140×200 | 120 | 100×160 | 18 | ф200 | ф160 | 8-ф18 | JG2-1 | 240 | 3 |
| 80 | 80-160 | 400 | 615 | 140×200 | 120 | 100×160 | 18 | ф200 | ф160 | 8-ф18 | JG2-1 | 240 | 3 |
| 81 | 80-160A | 400 | 615 | 140×200 | 120 | 100×160 | 18 | ф200 | ф160 | 8-ф18 | JG2-1 | 240 | 3 |
| 82 | 80-160B | 400 | 605 | 140×200 | 120 | 100×160 | 18 | ф200 | ф160 | 8-ф18 | JG2-1 | 240 | 3 |
| 83 | 80-200 | 430 | 710 | 140×200 | 125 | 100×160 | 18 | ф200 | ф160 | 8-ф18 | JG2-2 | 240 | 3 |
| 84 | 80-200A | 430 | 710 | 140×200 | 125 | 100×160 | 18 | ф200 | ф160 | 8-ф18 | JG2-2 | 240 | 3 |
| 85 | 80-200B | 430 | 580 | 140×200 | 125 | 100×160 | 18 | ф200 | ф160 | 8-ф18 | JG2-2 | 245 | 3 |
| 86 | 80-250 | 480 | 770 | 160×220 | 125 | 120×180 | 18 | ф200 | ф160 | 8-ф18 | JG2-2 | 245 | 4 |
| 87 | 80-250A | 480 | 750 | 160×220 | 125 | 120×180 | 18 | ф200 | ф160 | 8-ф18 | JG2-2 | 245 | 4 |
| 88 | 80-250B | 480 | 750 | 160×220 | 125 | 120×180 | 18 | ф200 | ф160 | 8-ф18 | JG2-2 | 245 | 4 |
| 89 | 80-315 | 600 | 1000 | 190×280 | 130 | 150×240 | 18 | ф200 | ф160 | 8-ф18 | JG2-2 | 260 | 4 |
| 90 | 80-315A | 600 | 1000 | 190×280 | 130 | 150×240 | 18 | ф200 | ф160 | 8-ф18 | JG2-2 | 260 | 4 |
| 91 | 80-315B | 600 | 1000 | 190×280 | 130 | 150×240 | 18 | ф200 | ф160 | 8-ф18 | JG2-2 | 260 | 4 |
| 92 | 80-315C | 600 | 1050 | 190×280 | 130 | 150×240 | 18 | ф200 | ф160 | 8-ф18 | JG3-1 | 282 | 6 |
| 93 | 80-350 | 680 | 1245 | 200×260 | 130 | 160×220 | 22 | ф200 | ф160 | 8-ф18 | JG3-1 | 282 | 6 |
| 94 | 80-350A | 680 | 1210 | 200×260 | 130 | 160×220 | 22 | ф200 | ф160 | 8-ф18 | JG3-1 | 282 | 6 |
| 95 | 80-350B | 680 | 1140 | 200×260 | 130 | 160×220 | 22 | ф200 | ф160 | 8-ф18 | JG3-1 | 282 | 6 |
| 96 | 80-100(I) | 460 | 625 | 160×220 | 140 | 120×180 | 18 | ф200 | ф160 | 8-ф18 | JG2-1 | 250 | 4 |
| 97 | 80-100(I)A | 460 | 625 | 160×220 | 140 | 120×180 | 18 | ф200 | ф160 | 8-ф18 | JG2-1 | 250 | 4 |
| 98 | 80-125(I) | 440 | 720 | 160×220 | 130 | 120×180 | 18 | ф200 | ф160 | 8-ф18 | JG2-1 | 250 | 4 |
| 99 | 80-125(I)A | 440 | 720 | 160×220 | 130 | 120×180 | 18 | ф200 | ф160 | 8-ф18 | JG2-1 | 250 | 4 |
| 100 | 80-160(I) | 480 | 780 | 160×220 | 140 | 120×180 | 18 | ф200 | ф160 | 8-ф18 | JG2-2 | 260 | 4 |
| 101 | 80-160(I)A | 480 | 780 | 160×220 | 140 | 120×180 | 18 | ф200 | ф160 | 8-ф18 | JG2-2 | 260 | 4 |
| 102 | 80-200(I) | 480 | 775 | 160×220 | 130 | 120×180 | 18 | ф200 | ф160 | 8-ф18 | JG2-2 | 250 | 4 |
| 103 | 80-200(I)A | 480 | 655 | 160×220 | 130 | 120×180 | 18 | ф200 | ф160 | 8-ф18 | JG2-2 | 250 | 4 |
| 104 | 80-200(I)B | 480 | 605 | 160×220 | 130 | 120×180 | 18 | ф200 | ф160 | 8-ф18 | JG2-2 | 250 | 4 |
| 105 | 80-250(I) | 540 | 885 | 160×220 | 140 | 120×180 | 22 | ф220 | ф160 | 8-ф18 | JG3-1 | 282 | 4 |
| 106 | 80-250(I)A | 540 | 885 | 160×220 | 140 | 120×180 | 22 | ф220 | ф160 | 8-ф18 | JG3-1 | 282 | 4 |
| 107 | 80-250(I)B | 540 | 885 | 160×220 | 140 | 120×180 | 22 | ф220 | ф160 | 8-ф18 | JG3-1 | 282 | 4 |
| 108 | 80-315(I) | 640 | 1245 | 230×320 | 165 | 190×280 | 22 | ф220 | ф160 | 8-ф18 | JG3-1 | 307 | 6 |
| 109 | 80-315(I)A | 640 | 1175 | 230×320 | 165 | 190×280 | 22 | ф220 | ф160 | 8-ф18 | JG3-1 | 307 | 6 |
| 110 | 80-315(I)B | 640 | 1090 | 230×320 | 165 | 190×280 | 22 | ф220 | ф160 | 8-ф18 | JG3-1 | 307 | 6 |
| 111 | 100-100 | 460 | 625 | 160×220 | 140 | 120×180 | 18 | ф220 | ф160 | 8-ф18 | JG2-1 | 250 | 4 |
| 112 | 100-100A | 460 | 605 | 160×220 | 140 | 120×180 | 18 | ф220 | ф160 | 8-ф18 | JG2-1 | 250 | 4 |
| 113 | 100-125 | 440 | 720 | 160×220 | 130 | 120×180 | 18 | ф220 | ф160 | 8-ф18 | JG2-1 | 250 | 4 |
| 114 | 100-125A | 440 | 590 | 160×220 | 130 | 120×180 | 18 | ф220 | ф160 | 8-ф18 | JG2-1 | 250 | 4 |
| 115 | 100-160 | 500 | 780 | 160×220 | 140 | 120×180 | 18 | ф220 | ф160 | 8-ф18 | JG2-1 | 260 | 4 |
| 116 | 100-160A | 500 | 780 | 160×220 | 140 | 120×180 | 18 | ф220 | ф160 | 8-ф18 | JG2-1 | 260 | 4 |
| 117 | 100-200 | 480 | 775 | 160×220 | 135 | 120×180 | 18 | ф220 | ф160 | 8-ф18 | JG2-2 | 255 | 4 |
| 118 | 100-200A | 480 | 730 | 160×220 | 135 | 120×180 | 18 | ф220 | ф160 | 8-ф18 | JG2-2 | 255 | 4 |
| 119 | 100-200B | 480 | 730 | 160×220 | 135 | 120×180 | 18 | ф220 | ф160 | 8-ф18 | JG2-2 | 255 | 4 |
| 120 | 100-250 | 540 | 885 | 160×220 | 140 | 120×180 | 22 | ф220 | ф160 | 8-ф18 | JG3-1 | 282 | 4 |
| 121 | 100-250A | 540 | 885 | 160×220 | 140 | 120×180 | 22 | ф220 | ф160 | 8-ф18 | JG3-1 | 282 | 4 |
| 122 | 100-250B | 540 | 885 | 160×220 | 140 | 120×180 | 22 | ф220 | ф160 | 8-ф18 | JG3-1 | 282 | 4 |
| 123 | 100-315 | 640 | 1245 | 230×320 | 165 | 190×280 | 22 | ф220 | ф160 | 8-ф18 | JG3-1 | 302 | 6 |
| 124 | 100-315A | 640 | 1175 | 230×320 | 165 | 190×280 | 22 | ф220 | ф160 | 8-ф18 | JG3-1 | 302 | 6 |
| 125 | 100-315B | 640 | 1090 | 230×320 | 165 | 190×280 | 22 | ф220 | ф160 | 8-ф18 | JG3-1 | 302 | 6 |
| 126 | 100-315C | 640 | 1050 | 230×320 | 165 | 190×280 | 22 | ф220 | ф160 | 8-ф18 | JG3-1 | 302 | 6 |
| 127 | 100-350 | 700 | 1260 | 300×350 | 165 | 250×300 | 22 | ф220 | ф160 | 8-ф18 | JG3-1 | 302 | 8 |
| 128 | 100-350A | 700 | 1210 | 300×350 | 165 | 250×300 | 22 | ф220 | ф160 | 8-ф18 | JG3-1 | 302 | 8 |
| 129 | 100-350B | 700 | 1140 | 300×350 | 165 | 250×300 | 22 | ф220 | ф160 | 8-ф18 | JG3-1 | 302 | 8 |
| 130 | 125-125 | 480 | 840 | 200×280 | 170 | 160×200 | 18 | ф250 | ф210 | 8-ф18 | JG2-1 | 300 | 5a |
| 131 | 125-125A | 480 | 840 | 200×280 | 170 | 160×220 | 18 | ф250 | ф210 | 8-ф18 | JG2-1 | 300 | 7 |
| 132 | 125-160 | 520 | 920 | 200×280 | 175 | 150×240 | 18 | ф250 | ф210 | 8-ф18 | JG2-1 | 280 | 7 |
| 133 | 125-160A | 520 | 860 | 200×280 | 175 | 150×240 | 18 | ф250 | ф210 | 8-ф18 | JG2-1 | 280 | 7 |
| 134 | 125-160B | 520 | 860 | 200×280 | 175 | 150×240 | 18 | ф250 | ф210 | 8-ф18 | JG2-1 | 280 | 7 |
| 135 | 125-200 | 570 | 1060 | 200×280 | 175 | 160×200 | 18 | ф250 | ф210 | 8-ф18 | JG3-1 | 322 | 7 |
| 136 | 125-200A | 570 | 1060 | 200×280 | 175 | 160×200 | 18 | ф250 | ф210 | 8-ф18 | JG3-1 | 322 | 7 |
| 137 | 125-200B | 570 | 830 | 200×280 | 175 | 160×200 | 18 | ф250 | ф210 | 8-ф18 | JG3-1 | 322 | 8 |
| 138 | 125-250 | 570 | 1250 | 200×280 | 170 | 160×200 | 22 | ф250 | ф210 | 8-ф18 | JG3-1 | 302 | 8 |
| 139 | 125-250A | 570 | 1120 | 200×280 | 170 | 160×200 | 22 | ф250 | ф210 | 8-ф18 | JG3-1 | 302 | 8 |
| 140 | 125-250B | 570 | 1070 | 200×280 | 170 | 160×200 | 22 | ф250 | ф210 | 8-ф18 | JG3-1 | 302 | 8 |
| 141 | 125-315 | 640 | 1305 | 300×350 | 180 | 230×280 | 22 | ф250 | ф210 | 8-ф18 | JG3-2 | 337 | 8 |
| 142 | 125-315A | 640 | 1170 | 300×350 | 180 | 230×280 | 22 | ф250 | ф210 | 8-ф18 | JG3-2 | 337 | 8 |
| 143 | 125-315B | 640 | 1110 | 300×350 | 180 | 230×280 | 22 | ф250 | ф210 | 8-ф18 | JG3-2 | 337 | 8 |
| 144 | 125-315C | 640 | 1110 | 300×350 | 180 | 230×280 | 22 | ф250 | ф210 | 8-ф18 | JG3-2 | 337 | 8 |
| 145 | 125-350 | 700 | 1405 | 300×350 | 180 | 250×300 | 22 | ф250 | ф210 | 8-ф18 | JG3-2 | 322 | 8 |
| 146 | 125-350A | 700 | 1275 | 300×350 | 180 | 250×300 | 22 | ф250 | ф210 | 8-ф18 | JG3-2 | 322 | 8 |
| 147 | 125-350B | 700 | 1275 | 300×350 | 180 | 250×300 | 22 | ф250 | ф210 | 8-ф18 | JG3-1 | 322 | 7 |
| 148 | 150-200 | 680 | 800 | 250×300 | 190 | 210×260 | 22 | ф285 | ф240 | 8-ф18 | JG2-2 | 310 | 7 |
| 149 | 150-200A | 680 | 750 | 250×300 | 190 | 210×260 | 22 | ф285 | ф240 | 8-ф18 | JG2-2 | 310 | 7 |
| 150 | 150-250 | 700 | 870 | 250×300 | 190 | 210×260 | 22 | ф285 | ф240 | 8-ф18 | JG2-2 | 310 | 7 |
| 151 | 150-250A | 700 | 850 | 250×300 | 190 | 210×260 | 22 | ф285 | ф240 | 8-ф18 | JG2-2 | 310 | 7 |
| 152 | 150-250B | 700 | 800 | 250×300 | 190 | 210×260 | 22 | ф285 | ф240 | 8-ф18 | JG2-2 | 310 | 7 |
| 153 | 150-315 | 760 | 950 | 250×300 | 195 | 210×260 | 22 | ф285 | ф240 | 8-ф18 | JG3-1 | 337 | 7 |
| 154 | 150-315A | 760 | 935 | 250×300 | 195 | 210×260 | 22 | ф285 | ф240 | 8-ф18 | JG3-1 | 337 | 7 |
| 155 | 150-315B | 760 | 860 | 250×300 | 195 | 210×260 | 22 | ф285 | ф240 | 8-ф18 | JG3-1 | 337 | 7 |
| 156 | 150-400 | 800 | 1050 | 250×300 | 195 | 210×260 | 22 | ф285 | ф240 | 8-ф18 | JG3-1 | 347 | 7 |
| 157 | 150-400A | 800 | 920 | 250×300 | 195 | 210×260 | 22 | ф285 | ф240 | 8-ф18 | JG3-1 | 347 | 7 |
| 158 | 150-400B | 800 | 900 | 250×300 | 195 | 210×260 | 22 | ф285 | ф240 | 8-ф18 | JG3-1 | 347 | 7 |
| 159 | 150-400C | 800 | 835 | 250×300 | 195 | 210×260 | 22 | ф285 | ф240 | 8-ф18 | JG3-1 | 347 | 7 |
| 160 | 150-250(I) | 700 | 1280 | 300×350 | 195 | 250×300 | 22 | ф285 | ф240 | 8-ф18 | JG3-2 | 337 | 8 |
| 161 | 150-250(I)A | 700 | 1200 | 300×350 | 195 | 250×300 | 22 | ф285 | ф240 | 8-ф18 | JG3-2 | 337 | 8 |
| 162 | 150-250(I)B | 700 | 1115 | 300×350 | 195 | 250×300 | 22 | ф285 | ф240 | 8-ф18 | JG3-2 | 337 | 8 |
| 163 | 150-315(I) | 760 | 1560 | 350×450 | 200 | 300×400 | 22 | ф285 | ф240 | 8-ф18 | JG3-2 | 342 | 11a |
| 164 | 150-315(I)A | 760 | 1330 | 350×450 | 200 | 300×400 | 22 | ф285 | ф240 | 8-ф18 | JG3-2 | 342 | 11a |
| 165 | 150-315(I)B | 760 | 1210 | 350×450 | 200 | 300×400 | 22 | ф285 | ф240 | 8-ф18 | JG3-2 | 342 | 11a |
| 166 | 200-200 | 700 | 800 | 290×360 | 200 | 250×320 | 22 | ф340 | ф295 | 12-ф22 | JG2-2 | 342 | 9 |
| 167 | 200-200A | 700 | 750 | 290×360 | 200 | 250×320 | 22 | ф340 | ф295 | 12-ф22 | JG2-2 | 342 | 9 |
| 168 | 200-250 | 750 | 875 | 290×360 | 210 | 250×320 | 22 | ф340 | ф295 | 12-ф22 | JG2-2 | 330 | 9 |
| 169 | 200-250A | 750 | 855 | 290×360 | 210 | 250×320 | 22 | ф340 | ф295 | 12-ф22 | JG2-2 | 330 | 9 |
| 170 | 200-250B | 750 | 805 | 290×360 | 210 | 250×320 | 22 | ф340 | ф295 | 12-ф22 | JG2-2 | 330 | 9 |
| 171 | 200-315 | 830 | 950 | 290×360 | 210 | 250×320 | 22 | ф340 | ф295 | 12-ф22 | JG3-1 | 352 | 9 |
| 172 | 200-315A | 830 | 880 | 290×360 | 210 | 250×320 | 22 | ф340 | ф295 | 12-ф22 | JG3-1 | 352 | 9 |
| 173 | 200-315B | 830 | 840 | 290×360 | 210 | 250×320 | 22 | ф340 | ф295 | 12-ф22 | JG3-1 | 352 | 9 |
| 174 | 200-400 | 880 | 1065 | 290×360 | 220 | 250×320 | 22 | ф340 | ф295 | 12-ф22 | JG3-1 | 362 | 9 |
| 175 | 200-400A | 880 | 1035 | 290×360 | 220 | 250×320 | 22 | ф340 | ф295 | 12-ф22 | JG3-1 | 362 | 9 |
| 176 | 200-400B | 880 | 1015 | 290×360 | 220 | 250×320 | 22 | ф340 | ф295 | 12-ф22 | JG3-1 | 362 | 9 |
| 177 | 200-400C | 880 | 940 | 290×360 | 220 | 250×320 | 22 | ф340 | ф295 | 12-ф22 | JG3-1 | 362 | 9 |
| 178 | 200-200 | 810 | 920 | 290×360 | 240 | 250×320 | 22 | ф340 | ф295 | 12-ф22 | JG3-1 | 382 | 9 |
| 179 | 200-200A | 810 | 860 | 290×360 | 240 | 250×320 | 22 | ф340 | ф295 | 12-ф22 | JG3-1 | 382 | 9 |
| 180 | 200-250(I) | 830 | 1000 | 290×360 | 225 | 250×320 | 22 | ф340 | ф295 | 12-ф22 | JG3-1 | 367 | 9 |
| 181 | 200-250(I)A | 830 | 930 | 290×360 | 225 | 250×320 | 22 | ф340 | ф295 | 12-ф22 | JG3-1 | 367 | 9 |
| 182 | 200-315(I) | 860 | 1150 | 290×360 | 220 | 250×320 | 22 | ф340 | ф295 | 12-ф22 | JG3-2 | 362 | 9 |
| 183 | 200-315(I)A | 860 | 1090 | 290×360 | 220 | 250×320 | 22 | ф340 | ф295 | 12-ф22 | JG3-2 | 362 | 9 |
| 184 | 200-315(I)B | 860 | 1055 | 290×360 | 220 | 250×320 | 22 | ф340 | ф295 | 12-ф22 | JG3-2 | 362 | 9 |
| 185 | 200-400(I) | 880 | 1210 | 290×360 | 235 | 250×320 | 22 | ф340 | ф295 | 12-ф22 | JG3-2 | 377 | 9 |
| 186 | 200-400(I)A | 880 | 1210 | 290×360 | 235 | 250×320 | 22 | ф340 | ф295 | 12-ф22 | JG3-2 | 377 | 9 |
| 187 | 200-400(I)B | 880 | 1140 | 290×360 | 235 | 250×320 | 22 | ф340 | ф295 | 12-ф22 | JG3-2 | 377 | 9 |
| 188 | 200-400(I)C | 880 | 1055 | 290×360 | 235 | 250×320 | 22 | ф340 | ф295 | 12-ф22 | JG3-2 | 377 | 9 |
| 189 | 200-510(I) | 1080 | 1800 | 350×450 | 260 | 300×400 | 22 | ф340 | ф295 | 12-ф22 | JG3-2 | 402 | 11a |
| 190 | 200-510(I)A | 1080 | 1745 | 350×450 | 260 | 300×400 | 22 | ф340 | ф295 | 12-ф22 | JG3-2 | 402 | 11a |
| 191 | 250-315 | 1110 | 1490 | 350×450 | 315 | 300×350 | 24 | ф405 | ф355 | 12-ф26 | JG3-2 | 407 | 10 |
| 192 | 250-315A | 1110 | 1350 | 350×450 | 315 | 300×350 | 24 | ф405 | ф355 | 12-ф26 | JG3-2 | 407 | 10 |
| 193 | 250-400 | 1250 | 1680 | 350×450 | 265 | 300×400 | 24 | ф405 | ф355 | 12-ф26 | JG4-1 | 453 | 10 |
| 194 | 250-400A | 1250 | 1520 | 350×450 | 265 | 300×400 | 24 | ф405 | ф355 | 12-ф26 | JG4-1 | 453 | 10 |
| 195 | 250-400B | 1250 | 1520 | 350×450 | 265 | 300×400 | 24 | ф405 | ф355 | 12-ф26 | JG4-1 | 453 | 10 |
| 196 | 300-235 | 1370 | 1250 | 400×500 | 370 | 350×450 | 26 | ф460 | ф410 | 12-ф26 | JG3-2 | 512 | 11 |
| 197 | 300-235A | 1370 | 1250 | 400×500 | 370 | 350×450 | 26 | ф460 | ф410 | 12-ф26 | JG3-2 | 512 | 11 |
| 198 | 300-300 | 1350 | 1710 | 400×500 | 370 | 350×450 | 26 | ф460 | ф410 | 12-ф26 | JG4-1 | 558 | 12 |
| 199 | 300-300A | 1350 | 1710 | 400×500 | 370 | 350×450 | 26 | ф460 | ф410 | 12-ф26 | JG4-1 | 558 | 12 |
| 200 | 300-300B | 1350 | 1440 | 450×500 | 370 | 400×450 | 26 | ф460 | ф410 | 12-ф26 | JG4-1 | 558 | 12 |
| 201 | 300-380 | 1400 | 1850 | 450×500 | 390 | 400×450 | 26 | ф460 | ф410 | 12-ф26 | JG4-1 | 548 | 12 |
| 202 | 300-380A | 1400 | 1850 | 450×500 | 390 | 400×450 | 26 | ф460 | ф410 | 12-ф26 | JG4-1 | 548 | 12 |
| 203 | 300-380B | 1400 | 1850 | 450×500 | 390 | 400×450 | 26 | ф460 | ф410 | 12-ф26 | JG4-1 | 548 | 12 |
| 204 | 300-400 | 1300 | 1800 | 480×530 | 370 | 400×450 | 26 | ф460 | ф410 | 12-ф26 | JG4-1 | 558 | 12 |
| 205 | 300-400A | 1300 | 1745 | 480×530 | 370 | 400×450 | 26 | ф460 | ф410 | 12-ф26 | JG4-1 | 558 | 12 |
| 206 | 300-235 | 1300 | 1850 | 400×500 | 370 | 350×450 | 26 | ф460 | ф410 | 12-ф26 | JG4-1 | 558 | 11 |
| 207 | 300-235A | 1300 | 1850 | 400×500 | 370 | 350×450 | 26 | ф460 | ф410 | 12-ф26 | JG4-1 | 558 | 11 |
| 208 | 300-315 | 1500 | 1900 | 460×510 | 400 | 400×450 | 26 | ф550 | ф460 | 12-ф22 | JG4-1 | 588 | 12 |
| 209 | 300-315A | 1500 | 1820 | 460×510 | 400 | 400×450 | 26 | ф550 | ф460 | 12-ф22 | JG4-1 | 588 | 12 |
| 210 | 350-400 | 1500 | 2030 | 460×510 | 400 | 400×450 | 26 | ф550 | ф460 | 12-ф22 | JG4-1 | 588 | 12 |
| 211 | 350-400A | 1500 | 2000 | 460×510 | 400 | 400×450 | 26 | ф550 | ф460 | 12-ф22 | JG4-1 | 588 | 12 |
| 212 | 350-460 | 1500 | 2270 | 460×510 | 400 | 400×450 | 26 | ф550 | ф460 | 12-ф22 | JG4-2 | 588 | 12 |
| 213 | 350-460A | 1500 | 2150 | 460×510 | 400 | 400×450 | 26 | ф550 | ф460 | 12-ф22 | JG4-2 | 588 | 12 |
注:
1.本網頁的SLG水冷型低噪音泵結構、結構圖、尺寸、參數、流量、揚程、電機轉速等主要性能參數,以及安裝尺寸圖、安裝尺寸表均只適用于參考,詳細CAD圖、安裝圖、以及產品說明書請向賽泰水泵營銷人員索取。
2.由于編輯水平有限,錯誤和不妥之處在所難免,真誠希望您批評指正。
SLG水冷型低噪音泵相關產品
返回至本系列目錄:管道泵